ГОСТ 8.520-84 Государственная система обеспечения единства измерений. Весы лабораторные образцовые и общего назначения. Методика поверки
ГОСТ
Скачать ГОСТ в PDF или DOC бесплатно
Основная информация
Обозначение:
ГОСТ 8.520-84
Статус:
Действует
Тип:
ГОСТ
Название русское:
Государственная система обеспечения единства измерений. Весы лабораторные образцовые и общего назначения. Методика поверки
Название английское:
State system of ensuring the uniformity of measurements. General purpse balances and reference balances. Rules and procedure forverification
Даты и сроки
Дата издания:
04-05-85
Дата введения в действие:
01-01-86
Дата завершения срока действия:
-
Применение и описание
Область и условия применения:
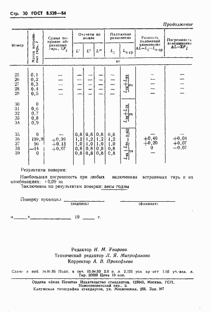
Настоящий стандарт распространяется на лабораторные весы образцовые и общего назначения по ГОСТ 24104-80, весы, выпущенные до введения ГОСТ 24104-80, и импортные весы аналогичной конструкции, находящиеся в эксплуатации, и устанавливает методику их первичной и периодической поверок
Связи и замены
Заменяющий:
-
Взамен:
ГОСТ 14168-69;ГОСТ 16820-71;ГОСТ 8.228-77
Описание стандарта
ГОСТ 8.520-84 Государственная система обеспечения единства измерений. Весы лабораторные образцовые и общего назначения. Методика поверки
Страницы стандарта
































