ГОСТ 13968-74 Крестовины переходные для соединений трубопроводов по наружному конусу. Конструкция и размеры
ГОСТ
Скачать ГОСТ в PDF или DOC бесплатно
Основная информация
Обозначение:
ГОСТ 13968-74
Статус:
Действует
Тип:
ГОСТ
Название русское:
Крестовины переходные для соединений трубопроводов по наружному конусу. Конструкция и размеры
Название английское:
Reduce-type crosses for tube connections on external cone. Construction and dimensions
Даты и сроки
Дата издания:
01-01-88
Дата введения в действие:
06-30-75
Дата завершения срока действия:
-
Применение и описание
Область и условия применения:
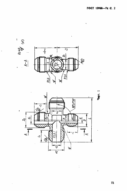
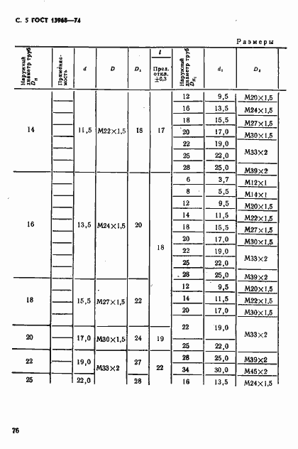
Настоящий стандарт устанавливает конструкцию и размеры крестовин переходных для соединений трубопроводов по наружному конусу
Связи и замены
Заменяющий:
-
Взамен:
ГОСТ 13968-68
Описание стандарта
ГОСТ 13968-74 Крестовины переходные для соединений трубопроводов по наружному конусу. Конструкция и размеры
Страницы стандарта











