ГОСТ 21869-78 Соединения трубопроводов резьбовые. Крестовины проходные. Конструкция
ГОСТ
Скачать ГОСТ в PDF или DOC бесплатно
Основная информация
Обозначение:
ГОСТ 21869-78
Статус:
Действует
Тип:
ГОСТ
Название русское:
Соединения трубопроводов резьбовые. Крестовины проходные. Конструкция
Название английское:
Threaded pipeline connections. Union passage crosses. Construction
Даты и сроки
Дата издания:
11-01-85
Дата введения в действие:
01-01-80
Дата завершения срока действия:
-
Применение и описание
Область и условия применения:
Настоящий стандарт распространяется на проходные крестовины для резьбовых соединений трубопроводов с углом конуса 24 град.
Связи и замены
Заменяющий:
-
Взамен:
ГОСТ 15795-70;ГОСТ 21869-76
Изменения и переиздания
Список изменений:
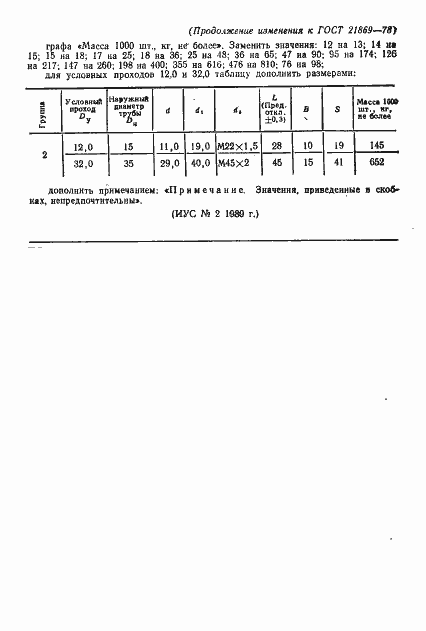
№1 от (рег. ) «Поправка» №2 от (рег. ) «Срок действия продлен»
Описание стандарта
ГОСТ 21869-78 Соединения трубопроводов резьбовые. Крестовины проходные. Конструкция
Страницы стандарта






