ГОСТ IEC 60745-2-5-2014 Машины ручные электрические. Безопасность и методы испытаний. Часть 2-5. Частные требования к дисковым пилам
ГОСТ МЭК
Скачать ГОСТ в PDF или DOC бесплатно
Основная информация
Обозначение:
ГОСТ IEC 60745-2-5-2014
Статус:
Действует
Тип:
ГОСТ МЭК
Название русское:
Машины ручные электрические. Безопасность и методы испытаний. Часть 2-5. Частные требования к дисковым пилам
Название английское:
Hand-held motor-operated electric tools. Safety. Part 2-5. Particular requirements for circular saws
Даты и сроки
Дата регистрации:
05-30-14
Дата издания:
06-28-20
Дата введения в действие:
01-01-15
Дата завершения срока действия:
-
Применение и описание
Область и условия применения:
Настоящий стандарт распространяется на дисковые пилы, называемые далее пилами. Настоящий стандарт не распространяется на пилы, предназначенные для применения с абразивными кругами
Связи и замены
Заменяющий:
-
Взамен:
ГОСТ IEC 60745-2-5-2011
Изменения и переиздания
Список изменений:
№0 от (рег. ) «Дата введения перенесена»
Описание стандарта
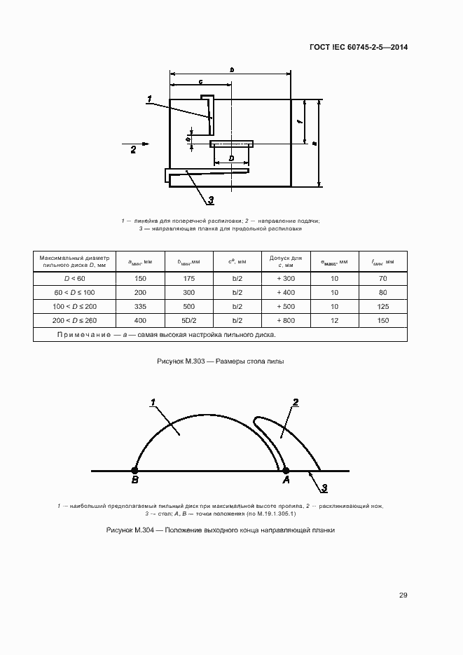
ГОСТ IEC 60745-2-5-2014 Машины ручные электрические. Безопасность и методы испытаний. Часть 2-5. Частные требования к дисковым пилам
Страницы стандарта









































Приложение №1: Поправка к ГОСТ IEC 60745-2-5-2014 Обозначение: Поправка к ГОСТ IEC 60745-2-5-2014 Дата введения в действие: 06.06.2015
