ГОСТ ISO 11650-2017 Оборудование для рекуперации и/или повторного использования хладагента. Эксплуатационные характеристики
ГОСТ ИСО
Скачать ГОСТ в PDF или DOC бесплатно
Основная информация
Обозначение:
ГОСТ ISO 11650-2017
Статус:
Действует
Тип:
ГОСТ ИСО
Название русское:
Оборудование для рекуперации и/или повторного использования хладагента. Эксплуатационные характеристики
Название английское:
Performance of refrigerant recovery and/or recycling equipment. Performance characteristics
Даты и сроки
Дата регистрации:
08-30-17
Дата издания:
11-29-18
Дата введения в действие:
03-01-19
Применение и описание
Область и условия применения:
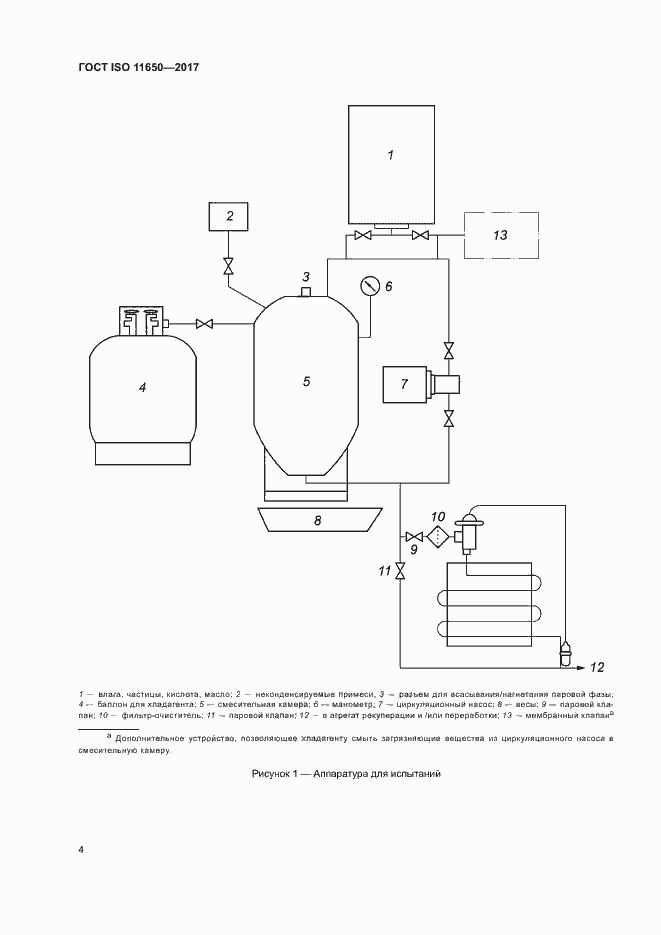
Настоящий стандарт устанавливает требования к испытательной аппаратуре, методикам испытаний газовых смесей, процедурам отбора проб и аналитическим методам, используемым для определения характеристик хладагентов при их рекуперации и/или переработке. Настоящий стандарт также определяет хладагенты, которые могут быть использованы для оценки оборудования, т. е. хладагенты и смеси на основе галогенсодержащих углеводородов. Стандарт не предназначен для использования в качестве ориентира при определении максимальных уровней загрязняющих веществ в переработанных хладагентах, применяемых в различном оборудовании. Стандарт не регламентирует требования безопасности. Настоятельно рекомендуется, чтобы оборудование было спроектировано, изготовлено, собрано и установлено в соответствии с общепризнанными требованиями безопасности
Описание стандарта
ГОСТ ISO 11650-2017 Оборудование для рекуперации и/или повторного использования хладагента. Эксплуатационные характеристики
Страницы стандарта


















