ГОСТ Р МЭК 61184-99 Патроны байонетные
ГОСТ Р МЭК
Скачать ГОСТ в PDF или DOC бесплатно
Основная информация
Обозначение:
ГОСТ Р МЭК 61184-99
Статус:
Отменен
Тип:
ГОСТ Р МЭК
Название русское:
Патроны байонетные
Название английское:
Bayonet lampholders
Даты и сроки
Дата издания:
12-07-99
Дата введения в действие:
01-01-01
Дата завершения срока действия:
01-01-13
Применение и описание
Область и условия применения:
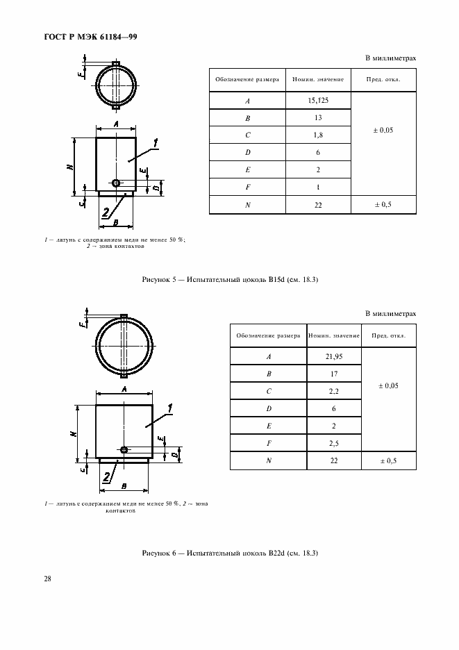
Настоящий стандарт распространяется на патроны байонетные типов В15d и В22d для присоединения ламп и ламп-светильников к сети питания напряжением до 250 В. Насколько возможно, стандарт также распространяется на патроны, которые полностью или частично являются неотъемлемой частью светильника или предназначены для встраивания в приборы
Связи и замены
Заменяющий:
-
Изменения и переиздания
Список изменений:
№0 от (рег. ) «Текстовое изменение; Изменено заглавие»
Описание стандарта
ГОСТ Р МЭК 61184-99 Патроны байонетные
Страницы стандарта












































