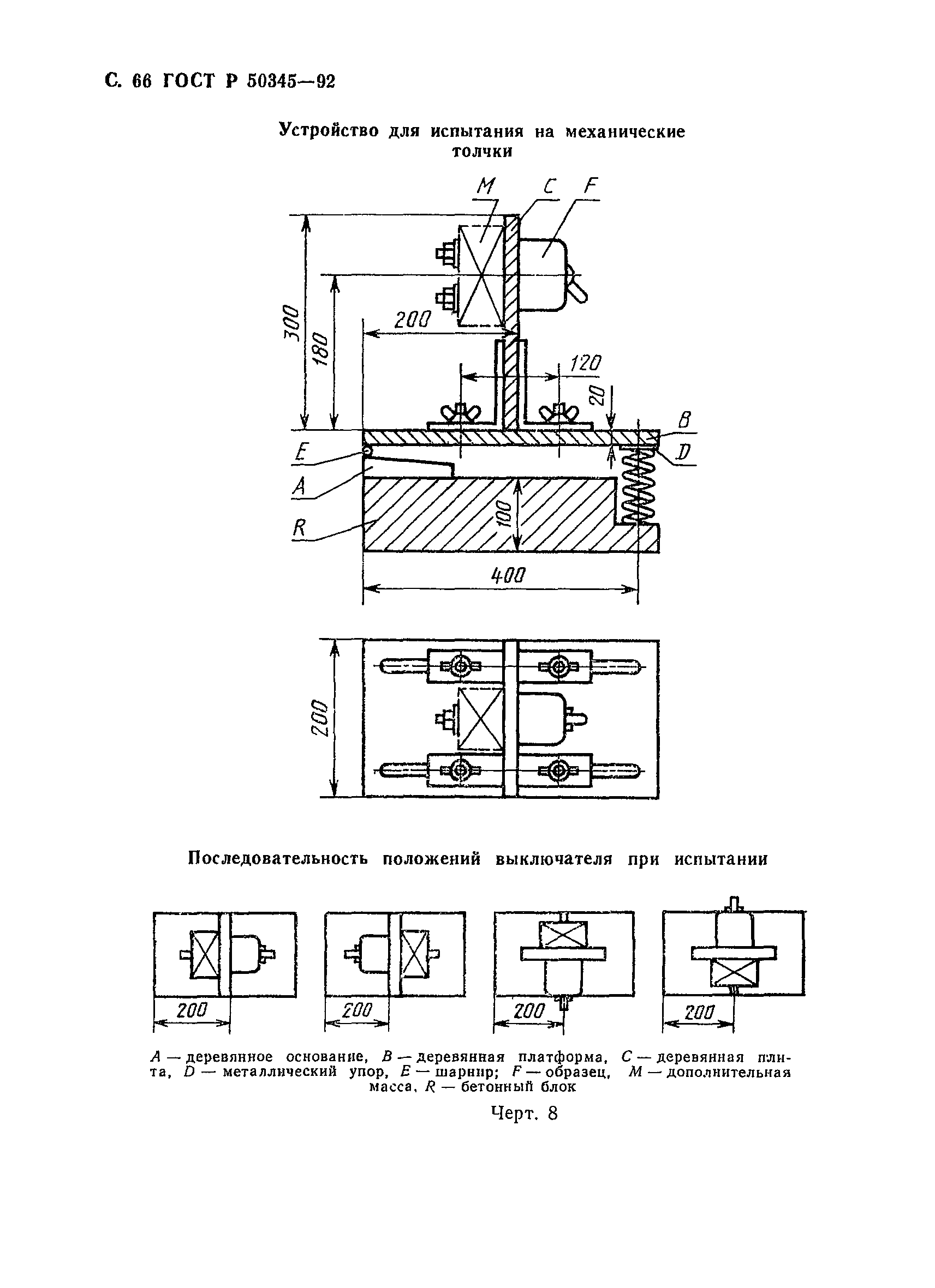
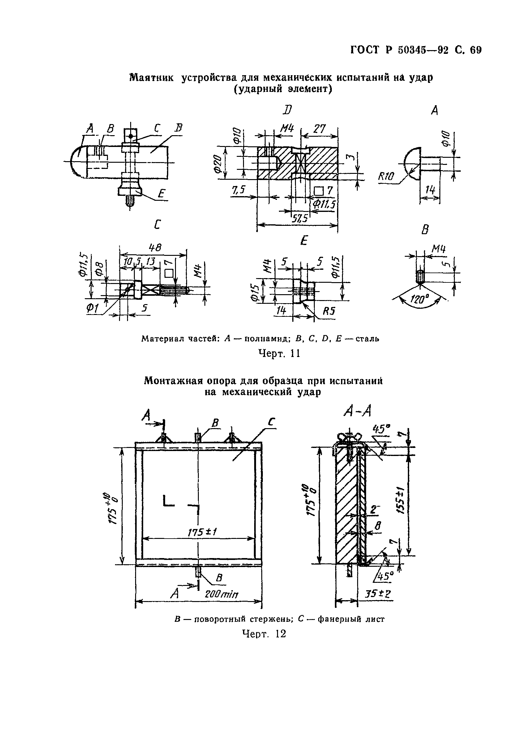
ГОСТ Р 50345-92 Автоматические выключатели для защиты от сверхтоков бытового и аналогичного назначения
ГОСТ Р
Скачать ГОСТ в PDF или DOC бесплатно
Основная информация
Обозначение:
ГОСТ Р 50345-92
Статус:
Заменен
Тип:
ГОСТ Р
Название русское:
Автоматические выключатели для защиты от сверхтоков бытового и аналогичного назначения
Название английское:
Circuit-breakers for overcurrent protection for household and similar installations
Даты и сроки
Дата издания:
02-23-93
Дата введения в действие:
01-01-94
Дата завершения срока действия:
01-01-01
Применение и описание
Область и условия применения:
Настоящий стандарт распространяется на воздушные автоматические выключатели переменного тока для работы при частоте 50 или 60 Гц с номинальным напряжением (между фазами) не более 440 В, номинальным током не более 125 А и номинальной отключающей способностью не более 25000 А. Стандарт распространяется на вновь разрабатываемые автоматические выключатели, предназначенные для нужд народного хозяйства и экспорта, а также автоматические выключатели, подлежащие сертификации. Настоящий стандарт не распространяется на: автоматические выключатели, предназначенные для защиты двигателей; автоматические выключатели, ток уставки которых регулируется средствами, доступными потребителю
Связи и замены
Заменяющий:
ГОСТ Р 50345-99
Описание стандарта
ГОСТ Р 50345-92 Автоматические выключатели для защиты от сверхтоков бытового и аналогичного назначения
Страницы стандарта
























































































