ГОСТ Р 54443-2011 Сорбенты йодные для атомных электростанций. Метод определения индекса сорбционной способности
ГОСТ Р
Скачать ГОСТ в PDF или DOC бесплатно
Основная информация
Обозначение:
ГОСТ Р 54443-2011
Статус:
Действует
Тип:
ГОСТ Р
Название русское:
Сорбенты йодные для атомных электростанций. Метод определения индекса сорбционной способности
Название английское:
Sorbents for trapping radioiodine at nuclear power stations. Method for determination of sorption capacity index
Даты и сроки
Дата издания:
03-26-19
Дата введения в действие:
01-01-12
Дата завершения срока действия:
-
Применение и описание
Область и условия применения:
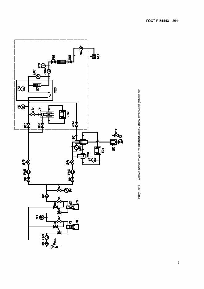
Настоящий стандарт распространяется на гранулированные и дробленые иодные сорбенты, применяемые для очистки газообразных радиоактивных отходов от радиоиода и его соединений на атомных электростанциях. Настоящий стандарт устанавливает метод и условия испытания сорбентов в лабораторных установках. Настоящий стандарт распространяется на сорбенты, предназначенные для применения в системах, важных для безопасности атомных электростанций
Связи и замены
Заменяющий:
-
Изменения и переиздания
Список изменений:
№0 от (рег. ) «Дата введения перенесена»
Описание стандарта
ГОСТ Р 54443-2011 Сорбенты йодные для атомных электростанций. Метод определения индекса сорбционной способности
Страницы стандарта



















Приложение №1: Поправка к ГОСТ Р 54443-2011 Обозначение: Поправка к ГОСТ Р 54443-2011 Дата введения в действие: 05.09.2012
