ГОСТ Р 8.924-2016 Государственная система обеспечения единства измерений. Газоанализаторы озона. Методика поверки
ГОСТ Р
Скачать ГОСТ в PDF или DOC бесплатно
Основная информация
Обозначение:
ГОСТ Р 8.924-2016
Статус:
Действует
Тип:
ГОСТ Р
Название русское:
Государственная система обеспечения единства измерений. Газоанализаторы озона. Методика поверки
Название английское:
State system for ensuring the uniformity of measurements. Ozone analyzers. Verification procedure
Даты и сроки
Дата издания:
03-26-19
Дата введения в действие:
07-01-17
Дата завершения срока действия:
-
Применение и описание
Область и условия применения:
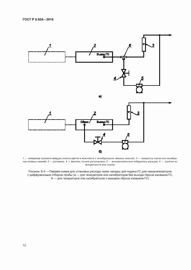
Настоящий стандарт распространяется на газоанализаторы озона, предназначенные для измерения массовой концентрации и/или объемной доли озона в воздухе (далее - газоанализаторы), и устанавливает методику их первичной и периодической поверок. Настоящий стандарт распространяется на газоанализаторы со следующими метрологическими характеристиками: - нижняя граница диапазона измерений массовой концентрации (объемной доли) озона, мг/м в степени 3 (млн в степени -1) 0,0 (0,0); - верхняя граница диапазона измерений массовой концентрации (объемной доли) озона, мг/м в степени 3 (млн в степени -1) от 0,4 (0,2) до 2,0 (1,0); - пределы допускаемой основной погрешности) абсолютной, мг/м в степени 3 (млн в степени -1) ± 0,003 (0,0015) или более; относительной, % ± 10 или более. Интервал между поверками газоанализаторов устанавливают при утверждении типа средств измерений (далее - СИ) и указывают в свидетельстве об утверждении типа СИ. При проведении испытаний в целях утверждения типа СИ допускается разрабатывать методики поверки, распространяющие на конкретный тип газоанализаторов, не противоречащие настоящему стандарту
Связи и замены
Заменяющий:
-
Описание стандарта
ГОСТ Р 8.924-2016 Государственная система обеспечения единства измерений. Газоанализаторы озона. Методика поверки
Страницы стандарта


















