ГОСТ 8.331-78 Государственная система обеспечения единства измерений. Измерители нелинейных искажений. Методы и средства поверки
ГОСТ
Скачать ГОСТ в PDF или DOC бесплатно
Основная информация
Обозначение:
ГОСТ 8.331-78
Статус:
Заменен
Тип:
ГОСТ
Название русское:
Государственная система обеспечения единства измерений. Измерители нелинейных искажений. Методы и средства поверки
Название английское:
State system for ensuring the uniformity of measurements. Non-linear distortion meters. Methods and means of verification
Даты и сроки
Дата издания:
04-04-79
Дата введения в действие:
01-01-80
Дата завершения срока действия:
01-01-02
Применение и описание
Область и условия применения:
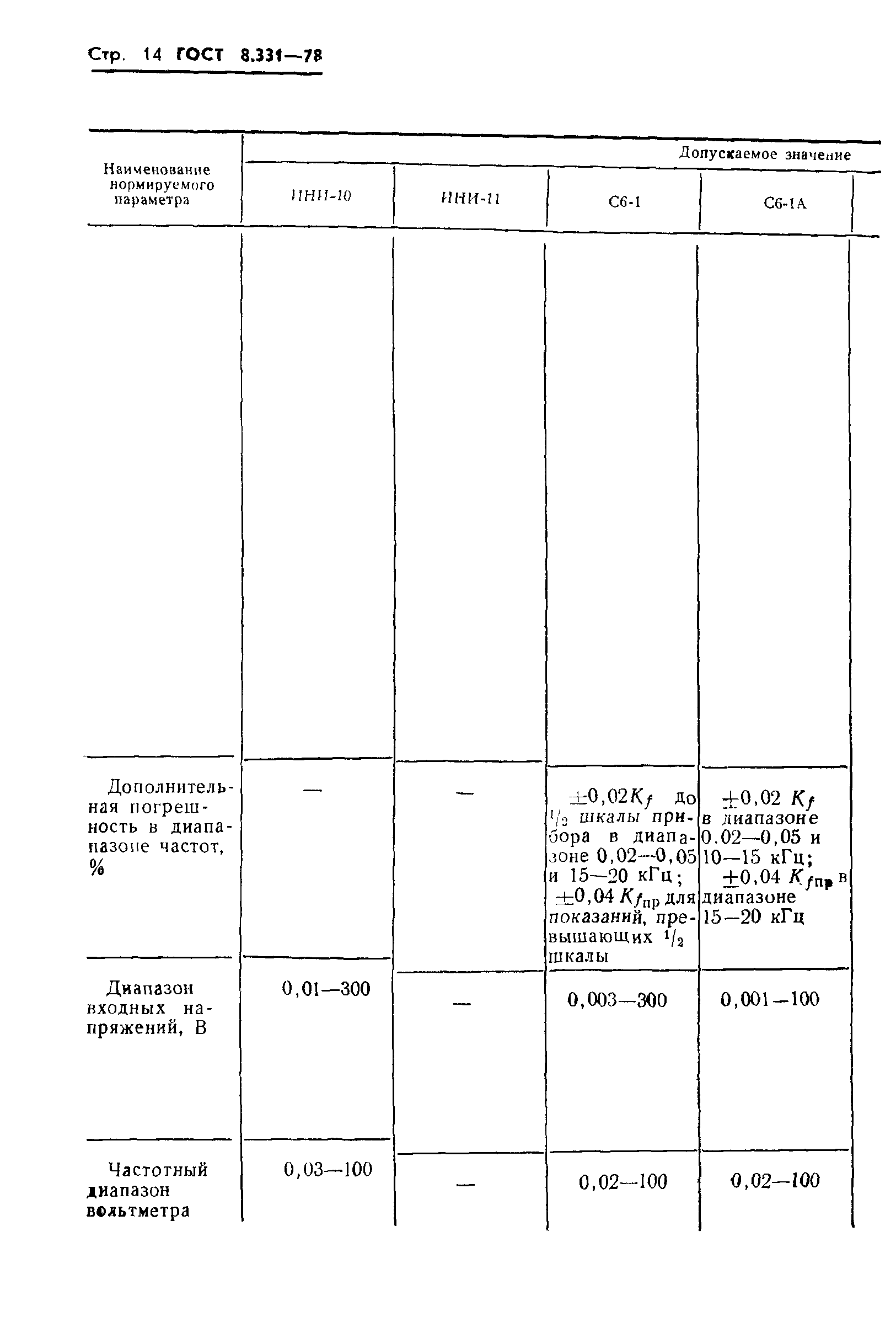
Настоящий стандарт распространяется на измерители нелинейных искажений типов С6-1, С6-1А, С6-3, С6-4, С6-5, С6-7, С6-8, ИНИ-10, ИНИ-11, измеряющие коэффициент нелинейных искажений в пределах 0,03-100% в диапазоне частот 0,02-1000 кГц и устанавливает методы и средства их первичной и периодической поверок
Связи и замены
Заменяющий:
ГОСТ 8.331-99
Взамен:
Инструкция 200-64
Описание стандарта
ГОСТ 8.331-78 Государственная система обеспечения единства измерений. Измерители нелинейных искажений. Методы и средства поверки
Страницы стандарта






















