ГОСТ Р 8.959-2019 Государственная система обеспечения единства измерений. Наилучшие доступные технологии. Автоматические измерительные системы для контроля вредных промышленных выбросов. Методика поверки
ГОСТ Р
Скачать ГОСТ в PDF или DOC бесплатно
Основная информация
Обозначение:
ГОСТ Р 8.959-2019
Статус:
Действует
Тип:
ГОСТ Р
Название русское:
Государственная система обеспечения единства измерений. Наилучшие доступные технологии. Автоматические измерительные системы для контроля вредных промышленных выбросов. Методика поверки
Название английское:
State system for ensuring the uniformity of measurements. Best available techniques. Automated measuring systems for control of harmful industrial emissions. Verification procedure
Даты и сроки
Дата издания:
06-27-19
Дата введения в действие:
02-01-20
Дата завершения срока действия:
-
Применение и описание
Область и условия применения:
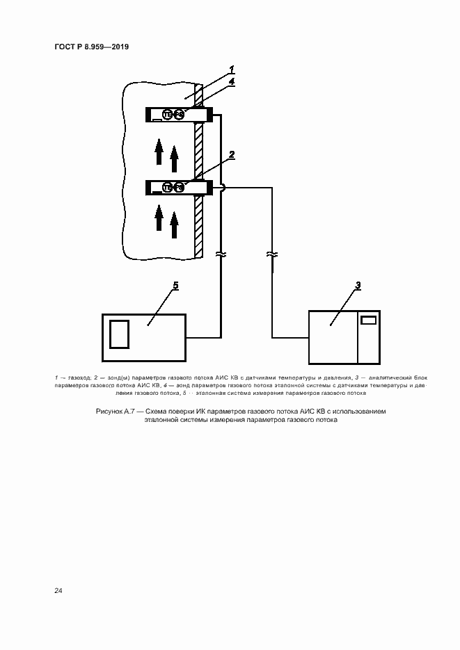
Настоящий стандарт распространяется на автоматические измерительные системы для контроля промышленных выбросов (отходящих газов), устанавливаемые на стационарные источники загрязнения окружающей среды и обеспечивающие автоматические измерения и учет показателей выбросов загрязняющих веществ, фиксацию и передачу информации о показателях выбросов загрязняющих веществ в государственный реестр объектов, оказывающих негативное воздействие на окружающую среду [1], [2]. Стандарт устанавливает основные методы и средства поверки АИС КВ, оснащенных оптическим измерительным каналом определения содержания взвешенных (твердых) частиц в отходящих газах, газоаналитическими измерительными каналами с системой пробоотбора и измерительными каналами параметров газового потока (температуры, давления, скорости/объемного расхода
Связи и замены
Заменяющий:
-
Описание стандарта
ГОСТ Р 8.959-2019 Государственная система обеспечения единства измерений. Наилучшие доступные технологии. Автоматические измерительные системы для контроля вредных промышленных выбросов. Методика поверки
Страницы стандарта






























