ГОСТ 8.100-73 Государственная система обеспечения единства измерений. Меры вместимости стеклянные образцовые. Методы и средства поверки
ГОСТ
Скачать ГОСТ в PDF или DOC бесплатно
Основная информация
Обозначение:
ГОСТ 8.100-73
Статус:
Действует
Тип:
ГОСТ
Название русское:
Государственная система обеспечения единства измерений. Меры вместимости стеклянные образцовые. Методы и средства поверки
Название английское:
State system for ensuring the uniformity of measurements. Volumetric glass ware, standard. Methods and means of verification
Даты и сроки
Дата издания:
02-20-74
Дата введения в действие:
01-01-75
Дата завершения срока действия:
-
Применение и описание
Область и условия применения:
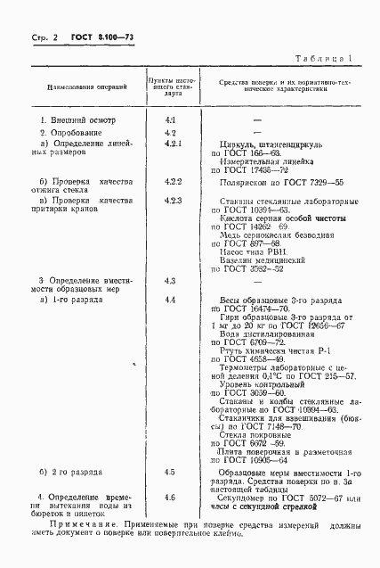
Настоящий стандарт распространяется на образцовые стеклянные колбы, пипетки (микропипетки), бюретки (микробюретки) и устанавливает методы и средства их первичной поверки
Связи и замены
Заменяющий:
-
Взамен:
Инструкция 35-65
Описание стандарта
ГОСТ 8.100-73 Государственная система обеспечения единства измерений. Меры вместимости стеклянные образцовые. Методы и средства поверки
Страницы стандарта





























