ГОСТ 8.479-82 Государственная система обеспечения единства измерений. Манометры избыточного давления грузопоршневые. Методы и средства поверки
ГОСТ
Скачать ГОСТ в PDF или DOC бесплатно
Основная информация
Обозначение:
ГОСТ 8.479-82
Статус:
Действует
Тип:
ГОСТ
Название русское:
Государственная система обеспечения единства измерений. Манометры избыточного давления грузопоршневые. Методы и средства поверки
Название английское:
State system for ensuring the uniformity of measurements. Piston pressure gauges. Methods and means of verification
Даты и сроки
Дата издания:
02-23-83
Дата введения в действие:
01-01-84
Дата завершения срока действия:
-
Применение и описание
Область и условия применения:
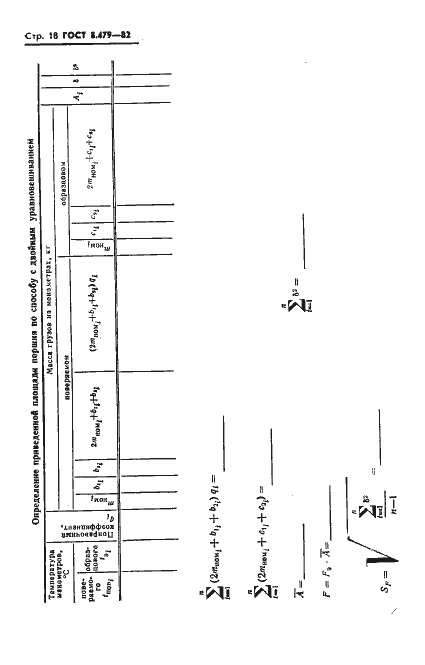
Настоящий стандарт распространяется на грузопоршневые манометры избыточного давления классов точности 0,02; 0,05; 0,2, выпускаемые по ГОСТ 8291-83, а также на грузопоршневые манометры, выпущенные до введения в действия ГОСТ 8291-83, и устанавливает методы и средства их первичной и периодической поверок. По методике настоящего стандарта допускается поверять импортные грузопоршневые манометры классов точности 0,015-0,04
Связи и замены
Заменяющий:
-
Взамен:
ГОСТ 8.048-73;ГОСТ 8.160-75
Описание стандарта
ГОСТ 8.479-82 Государственная система обеспечения единства измерений. Манометры избыточного давления грузопоршневые. Методы и средства поверки
Страницы стандарта
























