ГОСТ 8.365-79 Государственная система обеспечения единства измерений. Нагрузки коаксиальные. Методы и средства поверки
ГОСТ
Скачать ГОСТ в PDF или DOC бесплатно
Основная информация
Обозначение:
ГОСТ 8.365-79
Статус:
Утратил силу в РФ
Тип:
ГОСТ
Название русское:
Государственная система обеспечения единства измерений. Нагрузки коаксиальные. Методы и средства поверки
Название английское:
State system of ensuring the unity of measurements. Coaxial loads. Methods and means of verification
Даты и сроки
Дата издания:
01-07-80
Дата введения в действие:
01-01-81
Дата завершения срока действия:
11-01-03
Применение и описание
Область и условия применения:
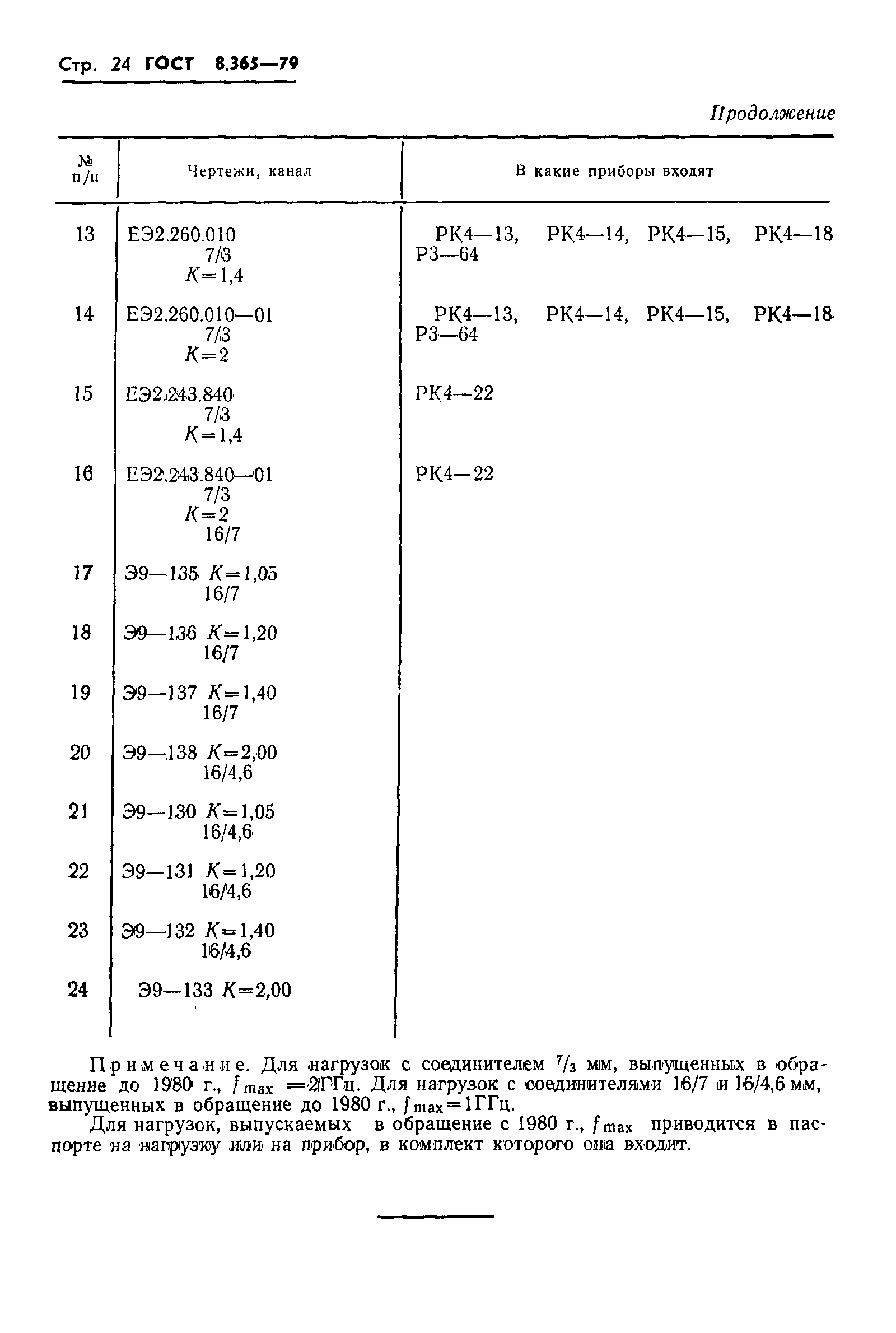
Настоящий стандарт распространяется на коаксиальные нагрузки, основные параметры и метрологические характеристики которых соответствуют 2 и 3-му разрядам ГОСТ 8.172-75 и ГОСТ 8.173-75, с соединителями типов II, III, YIII по ГОСТ 13317-80, применяемые для настройки СВЧ аппаратуры и в качестве образцовых мер для поверки СВЧ аппаратуры, выпускаемые как самостоятельные измерительные приборы или входящие в комплект других приборов, и устанавливает методы и средства их первичной и периодической поверок
Связи и замены
Заменяющий:
-
Изменения и переиздания
Список изменений:
№0 от (рег. ) «Поправка к изменению» №1 от (рег. ) «Срок действия продлен»
Описание стандарта
ГОСТ 8.365-79 Государственная система обеспечения единства измерений. Нагрузки коаксиальные. Методы и средства поверки
Страницы стандарта



































