ГОСТ 23628-79 Шум. Методы измерения звукоизоляции кожухов
ГОСТ
Скачать ГОСТ в PDF или DOC бесплатно
Основная информация
Обозначение:
ГОСТ 23628-79
Статус:
Заменен
Тип:
ГОСТ
Название русское:
Шум. Методы измерения звукоизоляции кожухов
Название английское:
Noise. Methods of measurement of sound insulation by acoustic hoods
Даты и сроки
Дата издания:
10-12-79
Дата введения в действие:
01-01-80
Дата завершения срока действия:
01-01-07
Применение и описание
Область и условия применения:
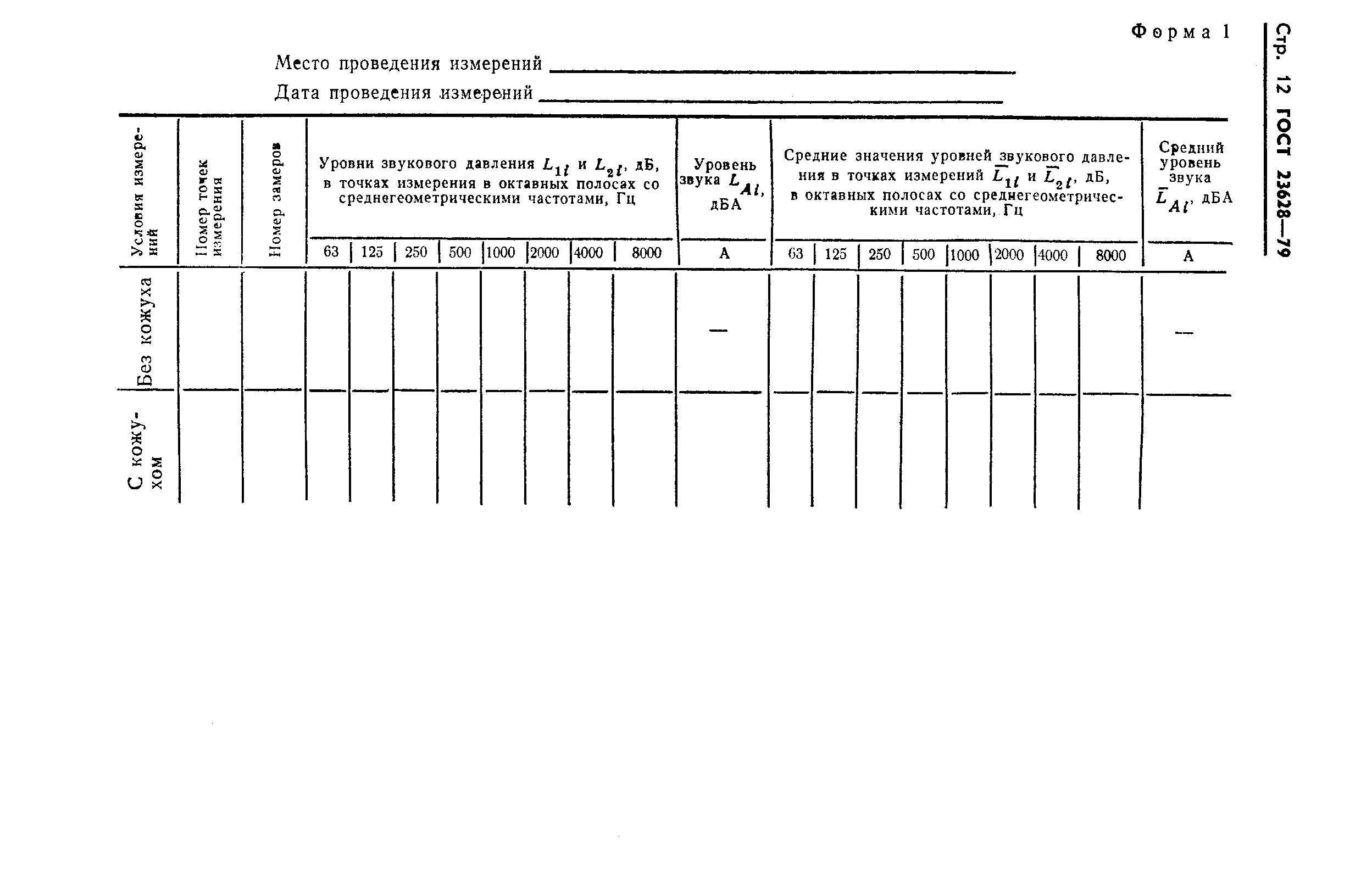
Стандарт устанавливает методы измерения изоляции воздушного шума кожухами, полностью закрывающими технологическое, инженерное или санитарно-техническое оборудование, установленное на горизонтальной поверхности
Связи и замены
Заменяющий:
ГОСТ 31298.2-2005 в части метода измерения на месте установки; ГОСТ 31298.1-2005 в части методов измерения в свободном и отраженном звуковых полях
Заменяющий в части:
ГОСТ 31298.1-2005 в части методов измерения в свободном и отраженном звуковых полях; ГОСТ 31298.2-2005 в части метода измерения на месте установки
Описание стандарта
ГОСТ 23628-79 Шум. Методы измерения звукоизоляции кожухов
Страницы стандарта















