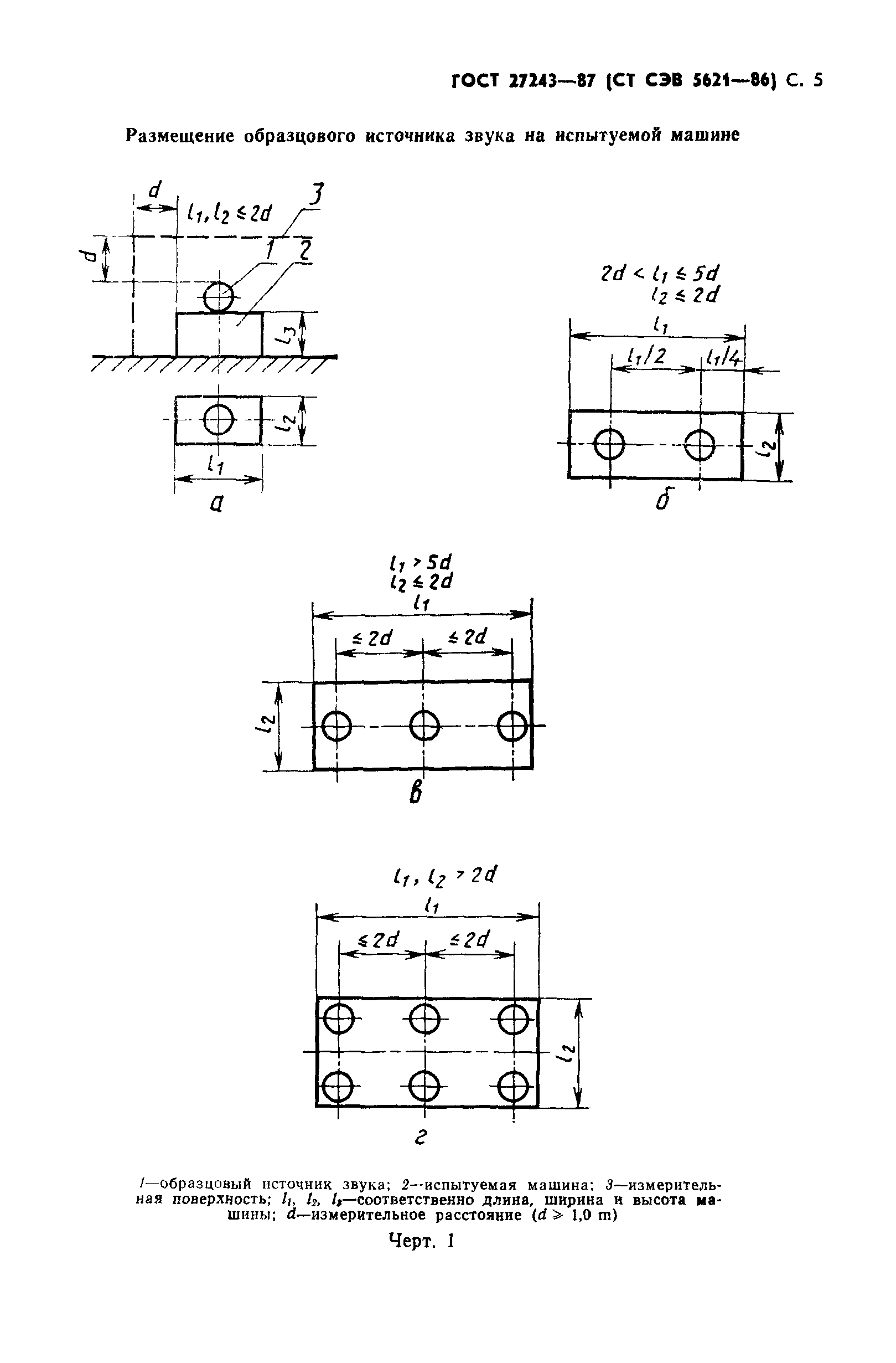
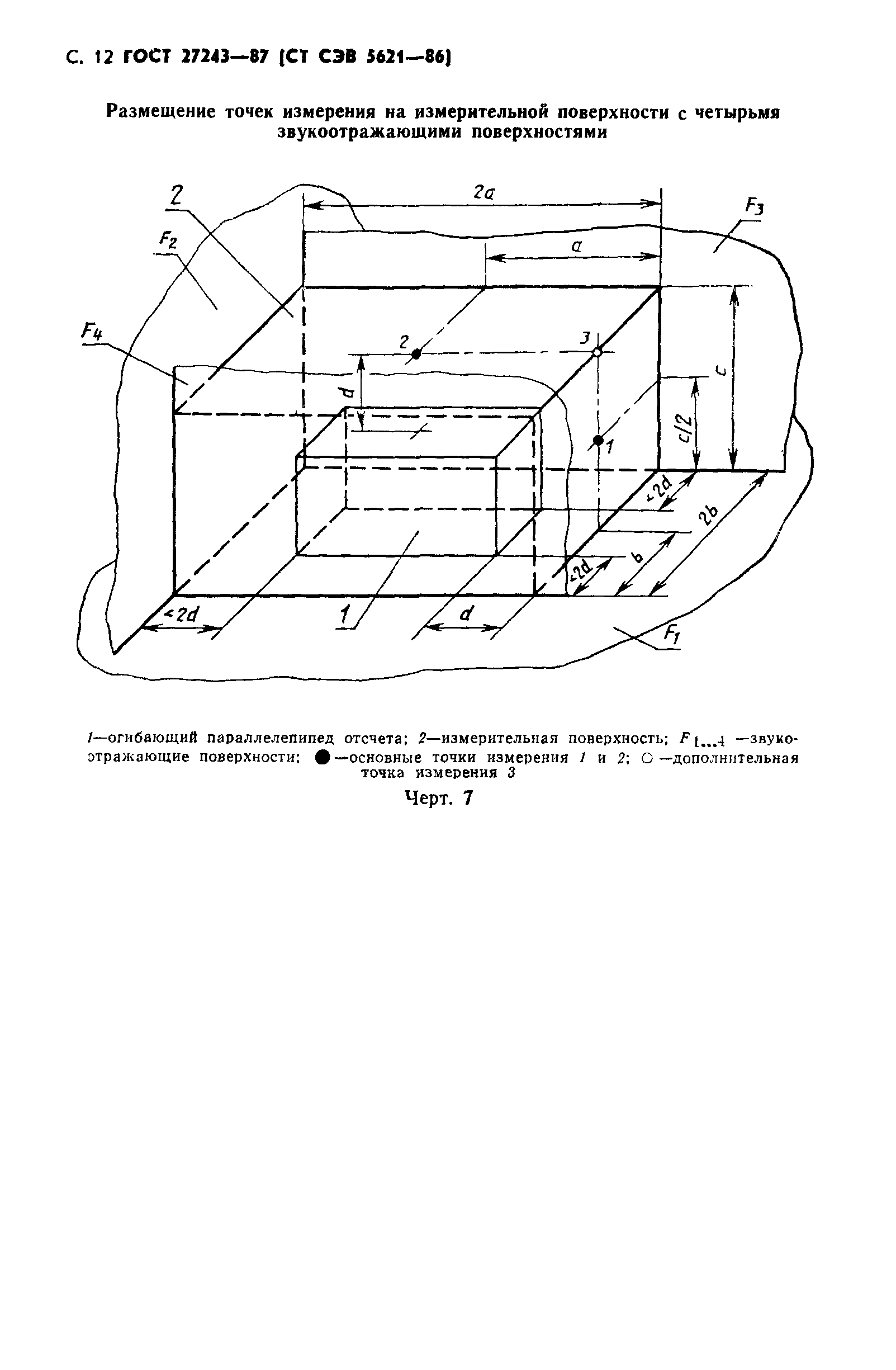
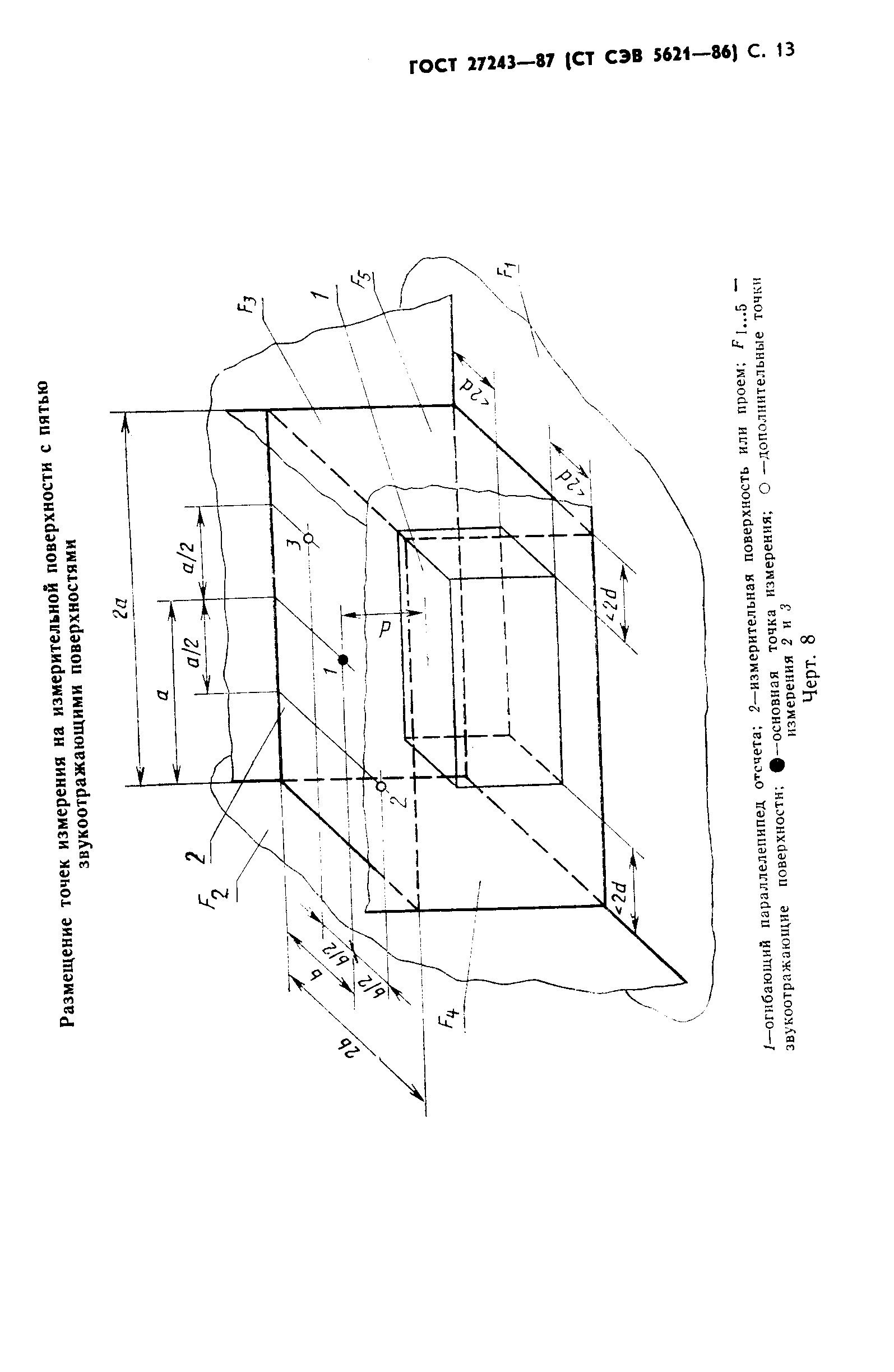
ГОСТ 27243-87 Шум. Ориентировочный метод определения уровня звуковой мощности шума машин при помощи образцового источника звука
ГОСТ
Скачать ГОСТ в PDF или DOC бесплатно
Основная информация
Обозначение:
ГОСТ 27243-87
Статус:
Заменен
Тип:
ГОСТ
Название русское:
Шум. Ориентировочный метод определения уровня звуковой мощности шума машин при помощи образцового источника звука
Название английское:
Noise. Survey method for the determination of sound powder levels of machinery by standard noise source
Даты и сроки
Дата издания:
06-18-87
Дата введения в действие:
01-01-88
Дата завершения срока действия:
01-01-07
Связи и замены
Заменяющий:
ГОСТ 27243-2005
Описание стандарта
ГОСТ 27243-87 Шум. Ориентировочный метод определения уровня звуковой мощности шума машин при помощи образцового источника звука
Страницы стандарта



















