ГОСТ ISO 16063-41-2014 Вибрация. Методы калибровки датчиков вибрации и удара. Часть 41. Калибровка лазерных виброметров
ГОСТ ИСО
Скачать ГОСТ в PDF или DOC бесплатно
Основная информация
Обозначение:
ГОСТ ISO 16063-41-2014
Статус:
Действует
Тип:
ГОСТ ИСО
Название русское:
Вибрация. Методы калибровки датчиков вибрации и удара. Часть 41. Калибровка лазерных виброметров
Название английское:
Mechanical vibration. Methods for the calibration of vibration and shock transducers. Part 41. Calibration of laser vibrometers
Даты и сроки
Дата регистрации:
11-14-14
Дата издания:
05-28-19
Дата введения в действие:
11-01-15
Дата завершения срока действия:
-
Применение и описание
Область и условия применения:
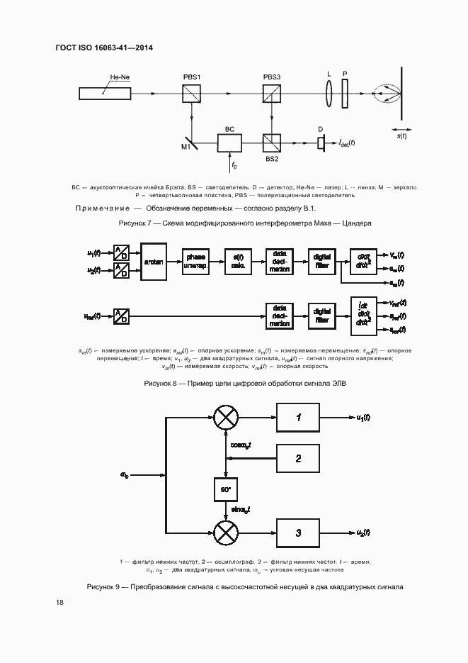
Настоящий стандарт устанавливает требования к средствам измерений и методам первичной калибровки и калибровки сравнением лазерных виброметров для измерений прямолинейной вибрации в диапазоне частот преимущественно от 0,4 Гц до 50 кГц, включая эталонные лазерные виброметры, предназначенные для калибровки лазерных виброметров или механических преобразователей вибрации. Калибровка сравнением осуществляется с использованием эталонного лазерного виброметра или эталонного преобразователя, калиброванного методом лазерной интерферометрии. Требования к средствам измерений включают в себя требования к эталонным лазерным виброметрам
Связи и замены
Заменяющий:
-
Описание стандарта
ГОСТ ISO 16063-41-2014 Вибрация. Методы калибровки датчиков вибрации и удара. Часть 41. Калибровка лазерных виброметров
Страницы стандарта












































