ГОСТ 14254-2015 Степени защиты, обеспечиваемые оболочками (Код IP)
ГОСТ
Скачать ГОСТ в PDF или DOC бесплатно
Основная информация
Обозначение:
ГОСТ 14254-2015
Статус:
Действует
Тип:
ГОСТ
Название русское:
Степени защиты, обеспечиваемые оболочками (Код IP)
Название английское:
Degrees of protection provided by enclosures (IP Code)
Даты и сроки
Дата регистрации:
12-10-15
Дата издания:
11-22-19
Дата введения в действие:
03-01-17
Применение и описание
Область и условия применения:
Настоящий стандарт распространяется на все виды изделий, для которых требуется нормирование степеней защиты, обеспечиваемые оболочками, от проникновения твердых предметов и воды. Стандарт устанавливает: а) классификацию степеней защиты, обеспечиваемой оболочками, от проникновения твердых предметов (включая защиту людей от доступа к опасным частям изделий и защиту оборудования внутри оболочки от попадания посторонних твердых предметов) и от проникновения воды (защиту оборудования внутри оболочки от вредных воздействий в результате проникновения воды); б) обозначения указанных степеней защиты; в) требования для каждого обозначения; г) методы и режимы контроля и испытаний для проверки оболочек оборудования на соответствие установленной степени защиты. Настоящий стандарт применим только к оболочкам, которые по всем другим показателям соответствуют всем требованиям стандартов на конкретные виды оборудования, а в части материалов и технологии обеспечивают сохранение свойств заданных степеней защиты при нормальных для данного типа изделия условиях эксплуатации. Настоящий стандарт применим также к пустым оболочкам при условии, что выполняются общие требования к испытаниям и выбранной степени защиты для оборудования данного типа
Связи и замены
Взамен:
ГОСТ 14254-96
Описание стандарта
ГОСТ 14254-2015 Степени защиты, обеспечиваемые оболочками (Код IP)
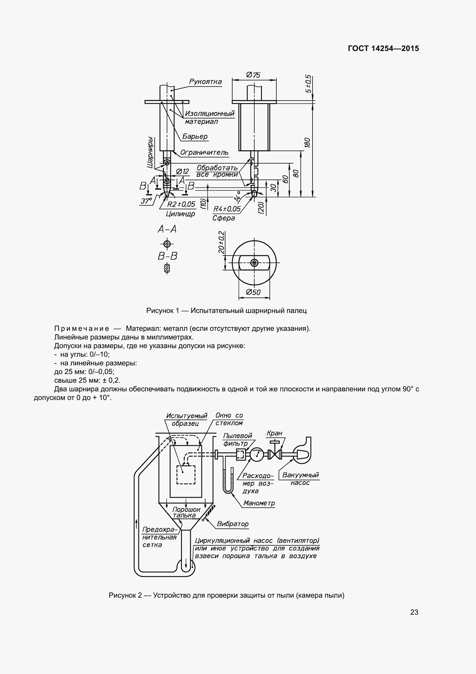
Страницы стандарта









































Приложение №1: Поправка к ГОСТ 14254-2015 Обозначение: Поправка к ГОСТ 14254-2015 Дата введения в действие: 20.03.2019

Приложение №2: Поправка к ГОСТ 14254-2015 Обозначение: Поправка к ГОСТ 14254-2015 Дата введения в действие: 13.07.2023
