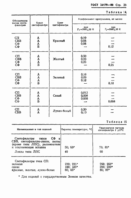
ГОСТ 24179-80 Светофильтры, светофильтры-линзы, линзы, рассеиватели и отклоняющие вставки стеклянные для сигнальных приборов железнодорожного транспорта. Технические условия
ГОСТ
Скачать ГОСТ в PDF или DOC бесплатно
Основная информация
Обозначение:
ГОСТ 24179-80
Статус:
Утратил силу в РФ
Тип:
ГОСТ
Название русское:
Светофильтры, светофильтры-линзы, линзы, рассеиватели и отклоняющие вставки стеклянные для сигнальных приборов железнодорожного транспорта. Технические условия
Название английское:
Glass filters, filter-lenses, lenses, dispersers and diflecting insertion for railway transport light-signal. Specifications
Даты и сроки
Дата издания:
08-11-80
Дата введения в действие:
06-30-81
Дата завершения срока действия:
01-01-11
Применение и описание
Область и условия применения:
Настоящий стандарт распространяется на стеклянные светофильтры, светофильтры-линзы, линзы, рассеиватели и отклоняющие вставки, изготовляемые в климатическом исполнении 0, категории 1 по ГОСТ 15150-69, предназначенные для светосигнальных приборов, применяемых на железнодорожном транспорте, и устанавливает требования к продукции, изготовляемой для нужд народного хозяйства и экспорта
Связи и замены
Заменяющий:
-
Взамен:
ГОСТ 8547-69;ГОСТ 8548-69;ГОСТ 8555-69;ГОСТ 8557-69;ГОСТ 11949-73;ГОСТ 11950-69;ГОСТ 12282-75;ГОСТ 5.910-71
Изменения и переиздания
Список изменений:
№0 от (рег. ) «Поправка к изменению» №1 от (рег. ) «Срок действия продлен» №2 от (рег. ) «Срок действия продлен» №3 от (рег. ) «Срок действия продлен»
Описание стандарта
ГОСТ 24179-80 Светофильтры, светофильтры-линзы, линзы, рассеиватели и отклоняющие вставки стеклянные для сигнальных приборов железнодорожного транспорта. Технические условия
Страницы стандарта












































