ГОСТ 8.014-72 Государственная система обеспечения единства измерений. Методы и средства поверки фотоэлектрических люксметров
ГОСТ
Скачать ГОСТ в PDF или DOC бесплатно
Основная информация
Обозначение:
ГОСТ 8.014-72
Статус:
Действует
Тип:
ГОСТ
Название русское:
Государственная система обеспечения единства измерений. Методы и средства поверки фотоэлектрических люксметров
Название английское:
State system for ensuring the uniformity of measurements. Methods and means for verification of photoelectric illumination photometers
Даты и сроки
Дата издания:
10-01-79
Дата введения в действие:
07-01-73
Дата завершения срока действия:
-
Применение и описание
Область и условия применения:
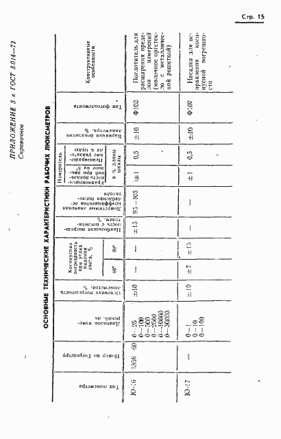
Настоящий стандарт устанавливает методы и средство первичной и периодической поверки рабочих фотоэлектрических люксметров общего назначения по ГОСТ 14841-69 классов точности 10 и 15 и образцовых фотоэлектрических люксметров, состоящих из отдельного селенового фотоэлемента и измерителя (измерительного прибора магнито-электрической системы)
Связи и замены
Заменяющий:
-
Взамен:
ГОСТ 13582-68
Описание стандарта
ГОСТ 8.014-72 Государственная система обеспечения единства измерений. Методы и средства поверки фотоэлектрических люксметров
Страницы стандарта




















