ГОСТ 8.046-85 Государственная система обеспечения единства измерений. Головки делительные оптические. Методика поверки
ГОСТ
Скачать ГОСТ в PDF или DOC бесплатно
Основная информация
Обозначение:
ГОСТ 8.046-85
Статус:
Заменен
Тип:
ГОСТ
Название русское:
Государственная система обеспечения единства измерений. Головки делительные оптические. Методика поверки
Название английское:
State system for ensuring the uniformity of measurements. Optical dividing heads. Verification methods
Даты и сроки
Дата издания:
03-27-86
Дата введения в действие:
01-01-87
Дата завершения срока действия:
03-01-12
Применение и описание
Область и условия применения:
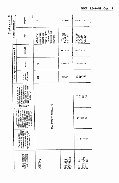
Настоящий стандарт распространяется на оптические делительные головки по ГОСТ 9016-77, а также на отечественные и импортные оптические делительные головки, имеющие аналогичные характеристики, и устанавливает методику их первичной и периодической поверок
Связи и замены
Заменяющий:
ГОСТ 8.046-2010
Взамен:
ГОСТ 8.046-73
Описание стандарта
ГОСТ 8.046-85 Государственная система обеспечения единства измерений. Головки делительные оптические. Методика поверки
Страницы стандарта





















