ГОСТ 8.212-84 Государственная система обеспечения единства измерений. Меры электродвижущей силы. Элементы нормальные. Методика поверки
ГОСТ
Скачать ГОСТ в PDF или DOC бесплатно
Основная информация
Обозначение:
ГОСТ 8.212-84
Статус:
Утратил силу в РФ
Тип:
ГОСТ
Название русское:
Государственная система обеспечения единства измерений. Меры электродвижущей силы. Элементы нормальные. Методика поверки
Название английское:
State system for ensuring the uniformity of measurements. Measures of electromotive force. Standard cells. Calibration methods and facilities
Даты и сроки
Дата издания:
03-07-85
Дата введения в действие:
01-01-86
Дата завершения срока действия:
01-01-16
Применение и описание
Область и условия применения:
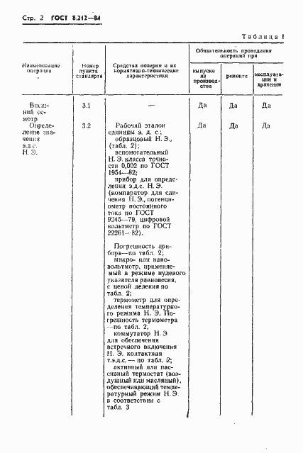
Настоящий стандарт распространяется на нормальные элементы, применяемые в качестве образцовых и рабочих мер электродвижущей силы, и устанавливает методику первичной и периодической поверок рабочих Н.Э. и периодической поверки образцовых Н.Э. С тандарт распространяется также на Н.Э., находящиеся в эксплуатации до срока введения ГОСТ 1954-82. Стандарт не распространяется на Н.Э., применяемые в качестве эталонов единицы э.д.с.
Связи и замены
Заменяющий:
-
Взамен:
ГОСТ 8.170-75;ГОСТ 8.212-76
Изменения и переиздания
Список изменений:
№0 от (рег. ) «Поправка к изменению»
Описание стандарта
ГОСТ 8.212-84 Государственная система обеспечения единства измерений. Меры электродвижущей силы. Элементы нормальные. Методика поверки
Страницы стандарта





















