ГОСТ 8.294-85 Государственная система обеспечения единства измерений. Мосты переменного тока уравновешенные. Методика поверки
ГОСТ
Скачать ГОСТ в PDF или DOC бесплатно
Основная информация
Обозначение:
ГОСТ 8.294-85
Статус:
Утратил силу в РФ
Тип:
ГОСТ
Название русское:
Государственная система обеспечения единства измерений. Мосты переменного тока уравновешенные. Методика поверки
Название английское:
State system of ensuring the uniformity of measurements. A.c. balanced bridges. Calibration methods
Даты и сроки
Дата издания:
10-18-85
Дата введения в действие:
06-30-86
Дата завершения срока действия:
07-01-11
Применение и описание
Область и условия применения:
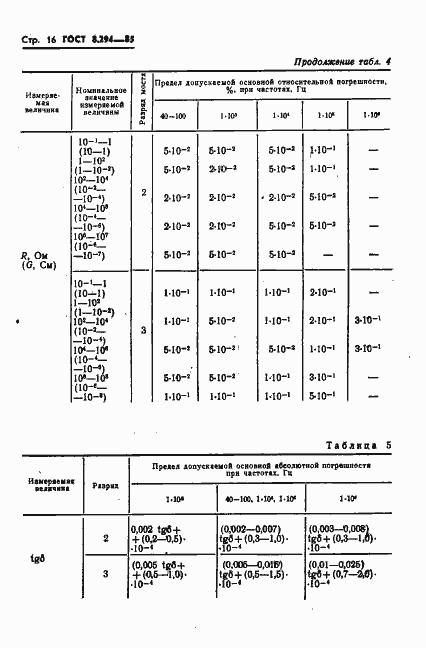
Настоящий стандарт распространяется на измерительные мосты переменного тока по ГОСТ 9486-79 и автоматические цифровые мосты переменного тока по ГОСТ 25242-82, предназначенные для измерения электрической емкости С от 1х10 в степени -15 до 1х10 в степени -1 Ф, индуктивности L от 1х10 в степени -9 до 2х10 в степени -3 Гн, активного электрического сопротивления R от 1х10 в степени -2 до 1х10 в степени 8 Ом, активной электрической проводимости G от 1х10 в степени -8 до 1х10 в степени 2 См, тангенса угла потерь tg 8 от 1х10 в степени -5 до 2, добротности Q от 1х10 в степени -2 до 250, тангенса угла фазового сдвига tg ф от 1х10 в степени -4 до 10, постоянной времени r от 1х10 в степени -9 до 1х10 в степени -4 с при синусоидальном напряжении на объекте измерения U до 200 В в диапазоне частот f от 40 до 1х10 в степени 6 Гц. Стандарт не распространяется на мосты для специальных измерений (например электрохимических и магнитных измерений, измерений неэлектрических величин и сопротивления изоляции) и на мосты-компараторы
Связи и замены
Заменяющий:
-
Взамен:
ГОСТ 8.294-78
Изменения и переиздания
Список изменений:
№0 от (рег. ) «Поправка к изменению»
Описание стандарта
ГОСТ 8.294-85 Государственная система обеспечения единства измерений. Мосты переменного тока уравновешенные. Методика поверки
Страницы стандарта








































