ГОСТ 14229-93 Штифты цилиндрические пружинные с прорезью. Технические условия
ГОСТ
Скачать ГОСТ в PDF или DOC бесплатно
Основная информация
Обозначение:
ГОСТ 14229-93
Статус:
Действует
Тип:
ГОСТ
Название русское:
Штифты цилиндрические пружинные с прорезью. Технические условия
Название английское:
Spring type straight pins, slotted. Specifications
Даты и сроки
Дата регистрации:
10-21-93
Дата издания:
03-01-03
Дата введения в действие:
01-01-95
Дата завершения срока действия:
-
Применение и описание
Область и условия применения:
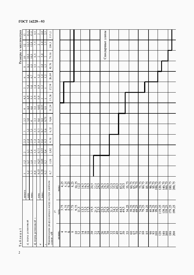
Настоящий стандарт распространяется на цилиндрические пружинные штифты с прорезью диаметром от 1 до 50 мм
Связи и замены
Заменяющий:
-
Взамен:
ГОСТ 14229-78
Описание стандарта
ГОСТ 14229-93 Штифты цилиндрические пружинные с прорезью. Технические условия
Страницы стандарта






