ГОСТ 22035-76 Шпильки с ввинчиваемым концом длиной 1,25d. Класс точности А. Конструкция и размеры
ГОСТ
Скачать ГОСТ в PDF или DOC бесплатно
Основная информация
Обозначение:
ГОСТ 22035-76
Статус:
Действует
Тип:
ГОСТ
Название русское:
Шпильки с ввинчиваемым концом длиной 1,25d. Класс точности А. Конструкция и размеры
Название английское:
Studs with threaded end of 1,25d. Product grade A. Construction and dimensions
Даты и сроки
Дата издания:
09-01-83
Дата введения в действие:
06-30-78
Дата завершения срока действия:
-
Применение и описание
Область и условия применения:
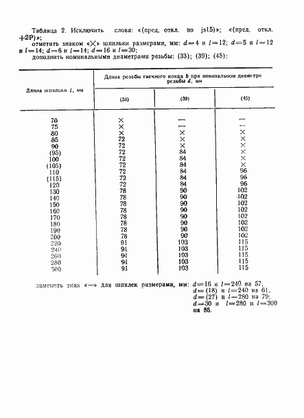
Настоящий стандарт распространяется на шпильки с номинальным диаметром резьбы от 2 до 48 мм, изготовляемые с крупным шагом резьбы на гаечном и ввинчиваемом концах; с мелким шагом резьбы на гаечном и ввинчиваемом концах; с мелким шагом резьбы на ввинчиваемом конце и крупным шагом резьбы на гаечном конце; с крупным шагом резьбы на ввинчиваемом конце и мелким шагом резьбы на гаечном конце
Связи и замены
Заменяющий:
-
Взамен в части:
ГОСТ 11766-66 в части длины ввинчиваемого резьбового конца l1=1,25d
Изменения и переиздания
Список изменений:
№1 от (рег. ) «Срок действия продлен» №2 от (рег. ) «Срок действия продлен» №3 от (рег. ) «Срок действия продлен» №4 от (рег. ) «Срок действия продлен»
Описание стандарта
ГОСТ 22035-76 Шпильки с ввинчиваемым концом длиной 1,25d. Класс точности А. Конструкция и размеры
Страницы стандарта


















