ГОСТ 22742-77 Комплекты крепления прямоугольных соединителей радиоэлектронных изделий. Технические условия
ГОСТ
Скачать ГОСТ в PDF или DOC бесплатно
Основная информация
Обозначение:
ГОСТ 22742-77
Статус:
Действует
Тип:
ГОСТ
Название русское:
Комплекты крепления прямоугольных соединителей радиоэлектронных изделий. Технические условия
Название английское:
Sets of square connectors fixture of radioelectronic items. Specifications
Даты и сроки
Дата издания:
03-01-01
Дата введения в действие:
01-01-79
Дата завершения срока действия:
-
Применение и описание
Область и условия применения:
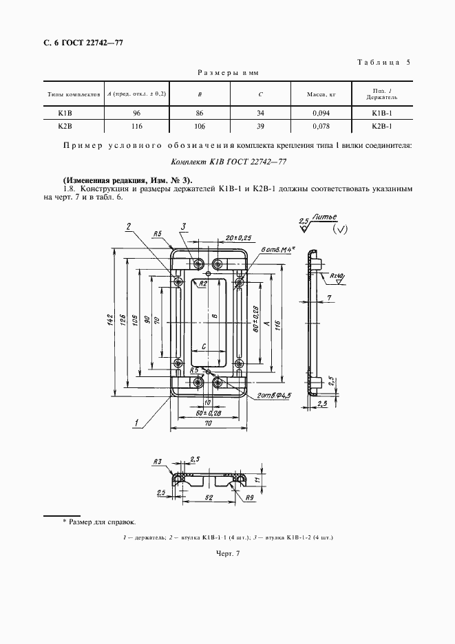
Настоящий стандарт распространяется на комплекты крепления прямоугольных соединителей радиоэлектронных изделий типов 6Р-100, 6Р-150, 7Р-52, 12Р-60 с номинальным напряжением до 500 В, применяемых в стойках и блоках
Связи и замены
Заменяющий:
-
Изменения и переиздания
Список изменений:
№1 от (рег. ) «Срок действия продлен» №2 от (рег. ) «Срок действия продлен» №3 от (рег. ) «Срок действия продлен»
Описание стандарта
ГОСТ 22742-77 Комплекты крепления прямоугольных соединителей радиоэлектронных изделий. Технические условия
Страницы стандарта

























