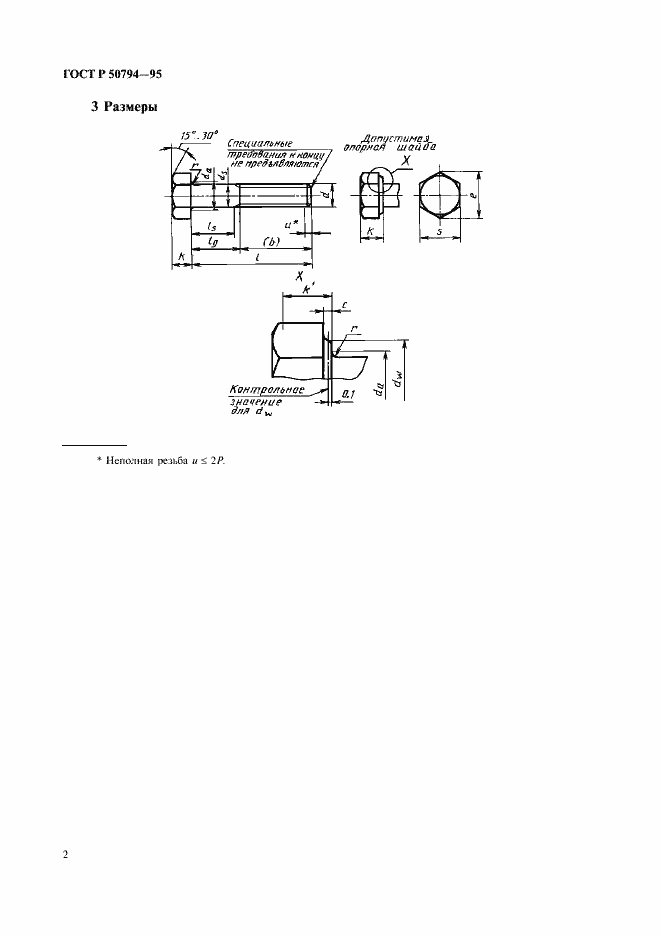
ГОСТ Р 50794-95 Болты с шестигранной головкой класса точности С. Технические условия
ГОСТ Р
Скачать ГОСТ в PDF или DOC бесплатно
Основная информация
Обозначение:
ГОСТ Р 50794-95
Статус:
Заменен
Тип:
ГОСТ Р
Название русское:
Болты с шестигранной головкой класса точности С. Технические условия
Название английское:
Hexagon head bolts, product grade C. Specifications
Даты и сроки
Дата издания:
11-01-06
Дата введения в действие:
06-30-96
Дата завершения срока действия:
07-01-14
Применение и описание
Область и условия применения:
Настоящий стандарт распространяется на болты с шестигранной головкой с диаметрами резьбы от М 5 до М 64 класса точности С
Связи и замены
Заменяющий:
ГОСТ Р ИСО 4016-2013
Описание стандарта
ГОСТ Р 50794-95 Болты с шестигранной головкой класса точности С. Технические условия
Страницы стандарта











