ГОСТ 13218.1-80 Корпуса типа ШМ подшипников качения диаметром от 47 до 150 мм. Конструкция и размеры
ГОСТ
Скачать ГОСТ в PDF или DOC бесплатно
Основная информация
Обозначение:
ГОСТ 13218.1-80
Статус:
Действует
Тип:
ГОСТ
Название русское:
Корпуса типа ШМ подшипников качения диаметром от 47 до 150 мм. Конструкция и размеры
Название английское:
Pillow blocks of serie ШМ for rolling bearings of diameters from 47 till 150 mm. Construction and dimensions
Даты и сроки
Дата издания:
04-01-81
Дата введения в действие:
01-01-82
Дата завершения срока действия:
-
Применение и описание
Область и условия применения:
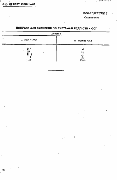
Настоящий стандарт распространяется на неразъемные широкие корпуса типа ШМ со сквозным отверстием для подшипников качения
Связи и замены
Заменяющий:
-
Взамен:
ГОСТ 13218.1-67
Описание стандарта
ГОСТ 13218.1-80 Корпуса типа ШМ подшипников качения диаметром от 47 до 150 мм. Конструкция и размеры
Страницы стандарта






























