ГОСТ 18513-73 Крышки торцовые с жировыми канавками. Конструкция и размеры
ГОСТ
Скачать ГОСТ в PDF или DOC бесплатно
Основная информация
Обозначение:
ГОСТ 18513-73
Статус:
Действует
Тип:
ГОСТ
Название русское:
Крышки торцовые с жировыми канавками. Конструкция и размеры
Название английское:
End caps with grooves for fat. Design and dimensions
Даты и сроки
Дата издания:
03-01-97
Дата введения в действие:
01-01-75
Дата завершения срока действия:
-
Применение и описание
Область и условия применения:
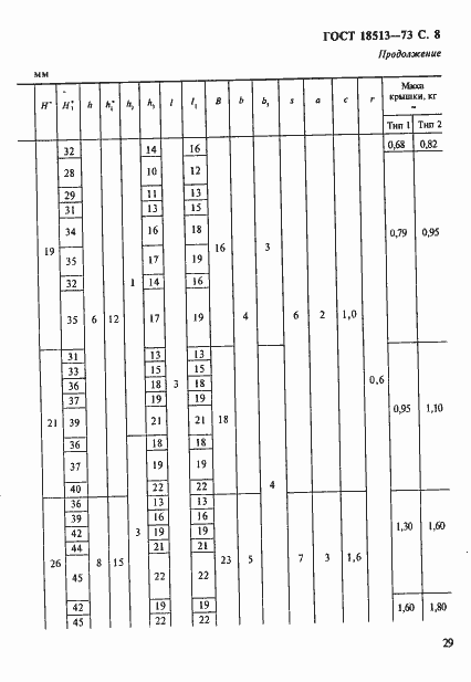
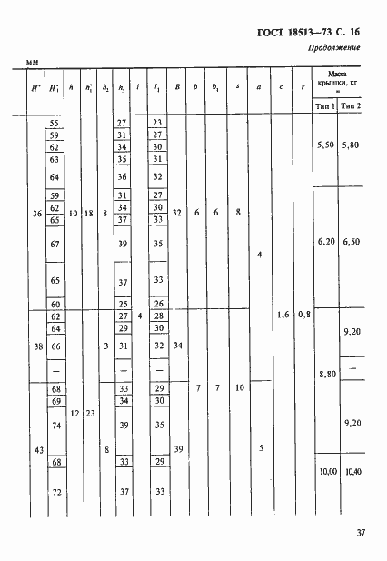
Настоящий стандарт распространяется на торцовые крышки с жировыми канавками, предназначенные для герметизации узлов подшипникив качения, осевой фиксации подшипников и восприятия осевых нагрузок. В качестве уплотнения применяется консистентная смазка, заполняющая канавки крышки. Стандарт не распространяется на крышки для сборочных единиц, к которым предъявляются требования наименьшей массы (транспортное машиностроение) и пониженной точности фиксирования подшипников (сельскохозяйственное машиностроение), а также на крышки специального исполнения (со срезанным фланцем, с унифицированными в пределах сборочной единицы крепежными деталями и др.)
Связи и замены
Заменяющий:
-
Изменения и переиздания
Список изменений:
№1 от (рег. ) «Срок действия продлен» №2 от (рег. ) «Срок действия продлен»
Описание стандарта
ГОСТ 18513-73 Крышки торцовые с жировыми канавками. Конструкция и размеры
Страницы стандарта


















