ГОСТ 20742-81 Муфты цепные. Типы, основные параметры и размеры
ГОСТ
Скачать ГОСТ в PDF или DOC бесплатно
Основная информация
Обозначение:
ГОСТ 20742-81
Статус:
Заменен
Тип:
ГОСТ
Название русское:
Муфты цепные. Типы, основные параметры и размеры
Название английское:
Single chain couplings. Main data. Dimensions
Даты и сроки
Дата введения в действие:
01-01-82
Дата завершения срока действия:
07-01-96
Применение и описание
Область и условия применения:
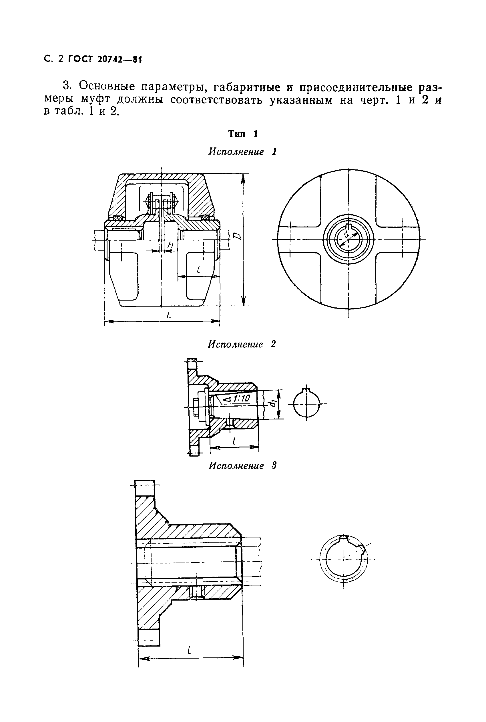
Настоящий стандарт распространяется на цепные муфты общемашиностроительного применения с приводными роликовыми одно- и двухрядными цепями по ГОСТ 13568-75, предназначенные для соединения соосных валов при передаче крутящего момента от 63 до 16000 Н х м и компенсации смещений осей валов без уменьшения динамических нагрузок, климатических исполнений У и Т для категорий 1-3, климатических исполнений УХЛ и О для категории 4 по ГОСТ 15150-69.
Связи и замены
Заменяющий:
ГОСТ 20742-93
Взамен:
ГОСТ 20742-75
Изменения и переиздания
Список изменений:
№1 от (рег. ) «Срок действия продлен» №2 от (рег. ) «Поправка»
Описание стандарта
ГОСТ 20742-81 Муфты цепные. Типы, основные параметры и размеры
Страницы стандарта














