ГОСТ 24246-80 Муфты втулочные. Основные параметры. Конструкция и размеры
ГОСТ
Скачать ГОСТ в PDF или DOC бесплатно
Основная информация
Обозначение:
ГОСТ 24246-80
Статус:
Заменен
Тип:
ГОСТ
Название русское:
Муфты втулочные. Основные параметры. Конструкция и размеры
Название английское:
Boxclutches. Basic parameters. Design and dimensions
Даты и сроки
Дата издания:
08-01-93
Дата введения в действие:
06-30-81
Дата завершения срока действия:
07-01-00
Применение и описание
Область и условия применения:
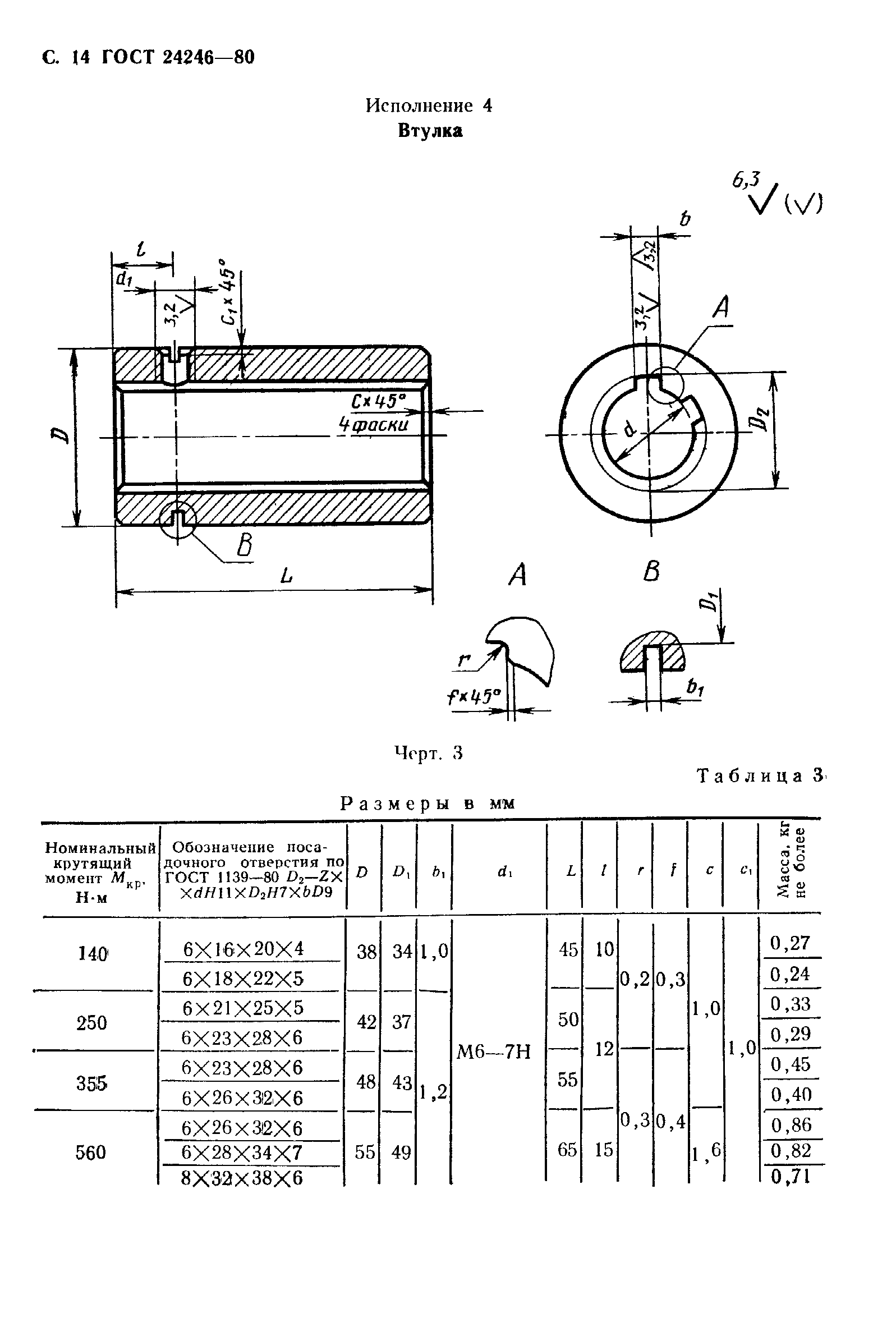
Настоящий стандарт распространяется на втулочные муфты, применяемые для соединения соосных цилиндрических валов при передаче крутящего момента от 1 до 12500 H.м без смягчения динамических нагрузок и ограничения частоты вращения, в климатических исполнениях У и Т, для категорий 1-3, климатических исполнениях УХЛ и О, для категорий 4 по ГОСТ 15150-69.
Связи и замены
Заменяющий:
ГОСТ 24246-96
Взамен:
МН 1069-60;МН 1067-60;МН 1068-60
Изменения и переиздания
Список изменений:
№1 от (рег. ) «Срок действия продлен» №2 от (рег. ) «Срок действия продлен»
Описание стандарта
ГОСТ 24246-80 Муфты втулочные. Основные параметры. Конструкция и размеры
Страницы стандарта

















