ГОСТ 21354-87 Передачи зубчатые цилиндрические эвольвентные внешнего зацепления. Расчет на прочность
ГОСТ
Скачать ГОСТ в PDF или DOC бесплатно
Основная информация
Обозначение:
ГОСТ 21354-87
Статус:
Действует
Тип:
ГОСТ
Название русское:
Передачи зубчатые цилиндрические эвольвентные внешнего зацепления. Расчет на прочность
Название английское:
Gilindrical evolvent gears of external engagment. Strength calculation
Даты и сроки
Дата издания:
08-18-88
Дата введения в действие:
01-01-89
Дата завершения срока действия:
-
Применение и описание
Область и условия применения:
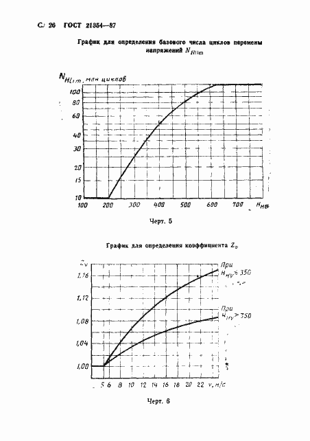
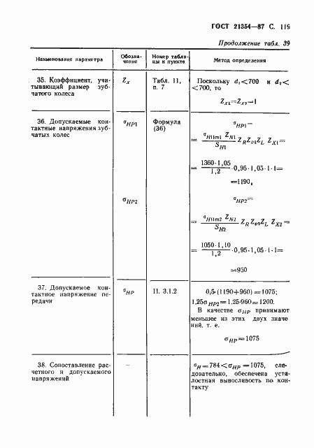
Настоящий стандарт распространяется на передачи зубчатые цилиндрические эвольвентные и устанавливает основные расчетные зависимости для определения контактной прочности активных поверхностей зубьев и прочности зубьев при изгибе эвольвентных цилиндрических металлических зубчатых колес внешнего зацепления передач общепромышленного применения с исходным контуром по ГОСТ 13755-81, модулем m больше или равно 1 мм, работающих со смазкой маслом при окружных скоростях v меньше или равно 25 м/с. Стандарт не распространяется на зубчатые цилиндрические эвольвентные передачи, для которых установлены особые правила расчета
Связи и замены
Заменяющий:
-
Взамен:
ГОСТ 21354-75
Описание стандарта
ГОСТ 21354-87 Передачи зубчатые цилиндрические эвольвентные внешнего зацепления. Расчет на прочность
Страницы стандарта
































































































































