ГОСТ 12996-90 Цепи тяговые вильчатые. Технические условия
ГОСТ
Скачать ГОСТ в PDF или DOC бесплатно
Основная информация
Обозначение:
ГОСТ 12996-90
Статус:
Действует
Тип:
ГОСТ
Название русское:
Цепи тяговые вильчатые. Технические условия
Название английское:
Pulling fork chains. Specifications
Даты и сроки
Дата издания:
06-22-90
Дата введения в действие:
06-30-91
Дата завершения срока действия:
-
Применение и описание
Область и условия применения:
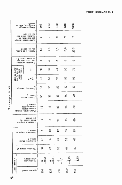
Настоящий стандарт распространяется на тяговые вильчатые цепи, предназначенные для работы в качестве тяговых органов скребковых конвейеров с погруженными скребками, питателей и других подъемно-транспортных машин и механизмов, в том числе и допускающих работу в режиме реверсирования
Связи и замены
Заменяющий:
-
Взамен:
ГОСТ 12996-79
Описание стандарта
ГОСТ 12996-90 Цепи тяговые вильчатые. Технические условия
Страницы стандарта










