ГОСТ 6911-71 Питатели двухмагистральные централизованных смазочных систем. Технические условия
ГОСТ
Скачать ГОСТ в PDF или DOC бесплатно
Основная информация
Обозначение:
ГОСТ 6911-71
Статус:
Действует
Тип:
ГОСТ
Название русское:
Питатели двухмагистральные централизованных смазочных систем. Технические условия
Название английское:
Dual-line feeders for centralized lubricating systems. Specifications
Даты и сроки
Дата издания:
09-01-98
Дата введения в действие:
06-30-73
Дата завершения срока действия:
-
Применение и описание
Область и условия применения:
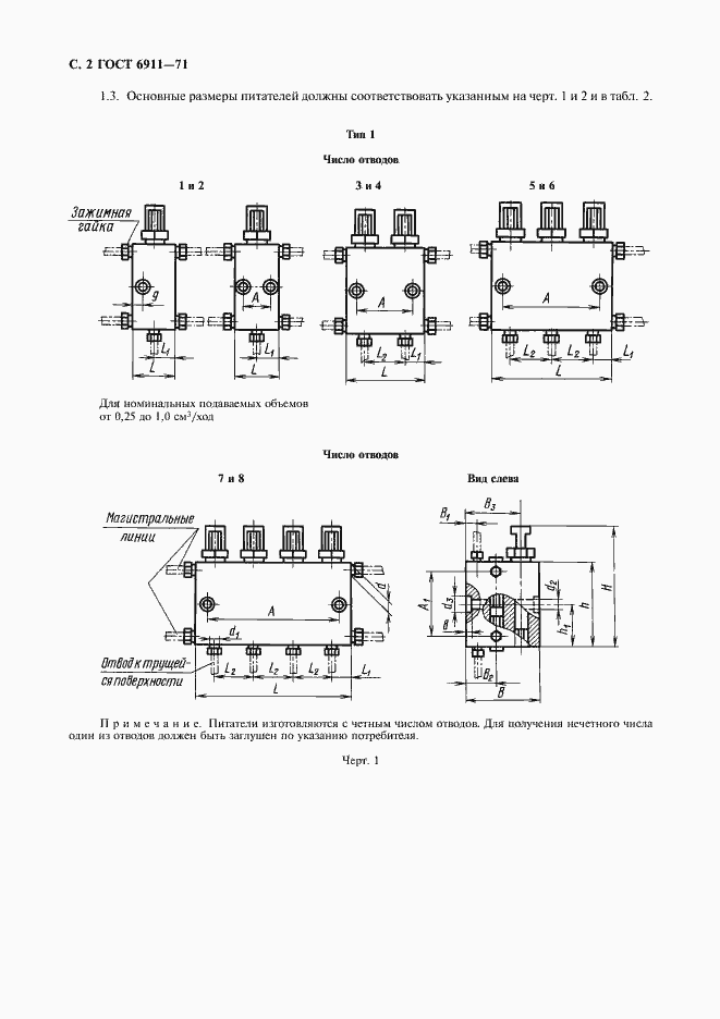
Настоящий стандарт распространяется на питатели для двухмагистральных централизованных смазочных систем, предназначенные для периодической подачи пластичных смазочных материалов с числом пенетрации не ниже 280 при 25 град. С, отфильтрованных от частиц размером более 0,25 мм, и смазочных масел с кинематической вязкостью не ниже 120 мм 2/с при температуре 50 град. С к трущимся поверхностям при давлении в магистральных линиях до 20 МПа, при температуре окружающей среды от 1 до 55 град. С, изготавливаемые для нужд народного хозяйства и экспорта
Связи и замены
Заменяющий:
-
Взамен:
ГОСТ 6911-57
Изменения и переиздания
Список изменений:
№1 от (рег. ) «Срок действия продлен» №2 от (рег. ) «Поправка» №3 от (рег. ) «Срок действия продлен»
Описание стандарта
ГОСТ 6911-71 Питатели двухмагистральные централизованных смазочных систем. Технические условия
Страницы стандарта










