ГОСТ 16050-70 Проходники прямые удлиненные для соединений трубопроводов по внутреннему конусу. Конструкция и размеры
ГОСТ
Скачать ГОСТ в PDF или DOC бесплатно
Основная информация
Обозначение:
ГОСТ 16050-70
Статус:
Действует
Тип:
ГОСТ
Название русское:
Проходники прямые удлиненные для соединений трубопроводов по внутреннему конусу. Конструкция и размеры
Название английское:
Long unions for tube connections on internal cone. Construction and dimensions
Даты и сроки
Дата издания:
06-01-87
Дата введения в действие:
01-01-71
Дата завершения срока действия:
-
Применение и описание
Область и условия применения:
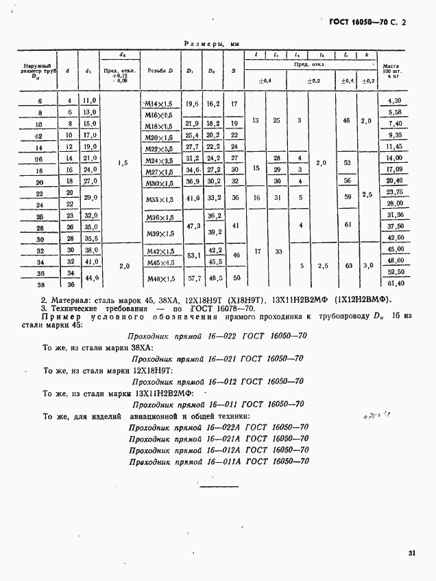
Настоящий стандарт устанавливает конструкцию и размеры прямых проходников для соединений трубопроводов по внутреннему конусу
Связи и замены
Заменяющий:
-
Описание стандарта
ГОСТ 16050-70 Проходники прямые удлиненные для соединений трубопроводов по внутреннему конусу. Конструкция и размеры
Страницы стандарта

