ГОСТ 16052-70 Переходники прямые для соединений трубопроводов по внутреннему конусу. Конструкция и размеры
ГОСТ
Скачать ГОСТ в PDF или DOC бесплатно
Основная информация
Обозначение:
ГОСТ 16052-70
Статус:
Действует
Тип:
ГОСТ
Название русское:
Переходники прямые для соединений трубопроводов по внутреннему конусу. Конструкция и размеры
Название английское:
Reducer type unions for tube connections on internal cone. Construction and dimensions
Даты и сроки
Дата издания:
06-01-87
Дата введения в действие:
01-01-71
Дата завершения срока действия:
-
Применение и описание
Область и условия применения:
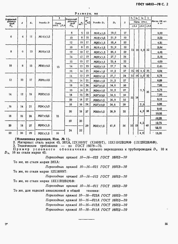
Настоящий стандарт устанавливает конструкцию и размеры прямых переходников для соединений трубопроводов по внутреннему конусу
Связи и замены
Заменяющий:
-
Изменения и переиздания
Список изменений:
№1 от (рег. ) «Срок действия продлен»
Описание стандарта
ГОСТ 16052-70 Переходники прямые для соединений трубопроводов по внутреннему конусу. Конструкция и размеры
Страницы стандарта

