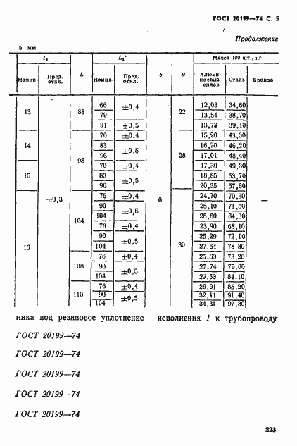
ГОСТ 20199-74 Тройники ввертные под резиновое уплотнение для соединений трубопроводов по наружному конусу. Конструкция и размеры
ГОСТ
Скачать ГОСТ в PDF или DOC бесплатно
Основная информация
Обозначение:
ГОСТ 20199-74
Статус:
Действует
Тип:
ГОСТ
Название русское:
Тройники ввертные под резиновое уплотнение для соединений трубопроводов по наружному конусу. Конструкция и размеры
Название английское:
Screwed union tees for rubber packer for tube connections on external cone. Construction and dimensions
Даты и сроки
Дата издания:
01-01-88
Дата введения в действие:
06-30-75
Дата завершения срока действия:
-
Применение и описание
Область и условия применения:
Настоящий стандарт устанавливает конструкцию и размеры тройников ввертных под резиновое уплотнение
Связи и замены
Заменяющий:
-
Изменения и переиздания
Список изменений:
№1 от (рег. ) «Срок действия продлен» №2 от (рег. ) «Срок действия продлен»
Описание стандарта
ГОСТ 20199-74 Тройники ввертные под резиновое уплотнение для соединений трубопроводов по наружному конусу. Конструкция и размеры
Страницы стандарта










