ГОСТ 23823-79 Устройства уплотнительные для радиальных соединений с возвратно-поступательным движением. Конструкция и размеры
ГОСТ
Скачать ГОСТ в PDF или DOC бесплатно
Основная информация
Обозначение:
ГОСТ 23823-79
Статус:
Действует
Тип:
ГОСТ
Название русское:
Устройства уплотнительные для радиальных соединений с возвратно-поступательным движением. Конструкция и размеры
Название английское:
Sealing devices for radial reciprocating joints. Construction and dimensions
Даты и сроки
Дата издания:
11-13-79
Дата введения в действие:
01-01-81
Дата завершения срока действия:
-
Применение и описание
Область и условия применения:
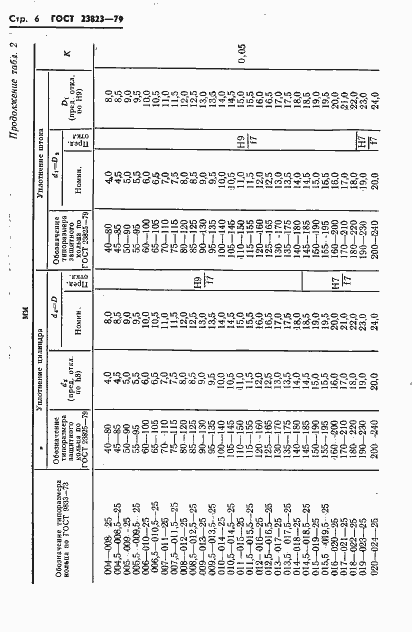
Настоящий стандарт распространяется на уплотнительные устройства для радиальных соединений с возвратно-поступательным движением, применяемые в гидравлических и пневматических системах летательных аппаратов, двигателей для них, а также комплектующих их изделий наземного обслуживания при давлении до 28 МПа (280 кгс/см кв.) и температуре от 213 К (минус 60 град. С) до 473 К (плюс 200 град. С) в зависимости от применяемой резины
Связи и замены
Заменяющий:
-
Описание стандарта
ГОСТ 23823-79 Устройства уплотнительные для радиальных соединений с возвратно-поступательным движением. Конструкция и размеры
Страницы стандарта
























