ГОСТ 25165-82 Соединения приборов и устройств ГСП с внешними пневматическими линиями. Типы, основные параметры и размеры. Технические требования
ГОСТ
Скачать ГОСТ в PDF или DOC бесплатно
Основная информация
Обозначение:
ГОСТ 25165-82
Статус:
Действует
Тип:
ГОСТ
Название русское:
Соединения приборов и устройств ГСП с внешними пневматическими линиями. Типы, основные параметры и размеры. Технические требования
Название английское:
Connections of SSI instruments and devices with external pneumatic lines. Types, basic parameters and dimensions. Technical requirements
Даты и сроки
Дата издания:
10-01-84
Дата введения в действие:
06-30-83
Дата завершения срока действия:
-
Применение и описание
Область и условия применения:
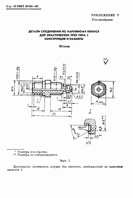
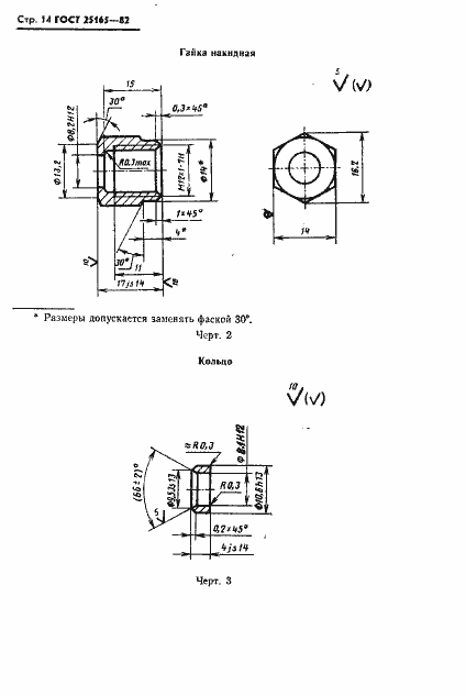
Настоящий стандарт распространяется на соединения приборов и устройств Государственной системы промышленных приборов и средств автоматизации (ГСП) с внешними трубопроводами, предназначенными для передачи пневматических сигналов и энергии питания. Стандарт устанавливает типы, основные параметры и размеры гнезд и соединений, а также технические требования к ним. Стандарт не распространяется на соединения элементов и блоков пневмоавтоматики, монтируемых внутри корпуса прибора или шкафа и не имеющих непосредственной стыковки с внешними командными и питающими линиями связи, а также на соединения с внешними трубопроводами с условными проходами менее 4 мм
Связи и замены
Заменяющий:
-
Взамен в части:
ГОСТ 15579-70 в части соединений с внешними пневматическими линиями; ГОСТ 20954-75 в части соединений с внешними пневматическими линиями; ГОСТ 20960-75 в части соединений с внешними пневматическими линиями
Изменения и переиздания
Список изменений:
№1 от (рег. ) «Срок действия продлен» №2 от (рег. ) «Срок действия продлен»
Описание стандарта
ГОСТ 25165-82 Соединения приборов и устройств ГСП с внешними пневматическими линиями. Типы, основные параметры и размеры. Технические требования
Страницы стандарта


















