ГОСТ 9064-75 Гайки для фланцевых соединений с температурой среды от 0 до 650 °С. Типы и основные размеры
ГОСТ
Скачать ГОСТ в PDF или DOC бесплатно
Основная информация
Обозначение:
ГОСТ 9064-75
Статус:
Действует
Тип:
ГОСТ
Название русское:
Гайки для фланцевых соединений с температурой среды от 0 до 650 °С. Типы и основные размеры
Название английское:
Nuts for flanged connections with medium temperature 0 to 650 °C. Types and main dimensions
Даты и сроки
Дата издания:
03-01-04
Дата введения в действие:
01-01-76
Дата завершения срока действия:
-
Применение и описание
Область и условия применения:
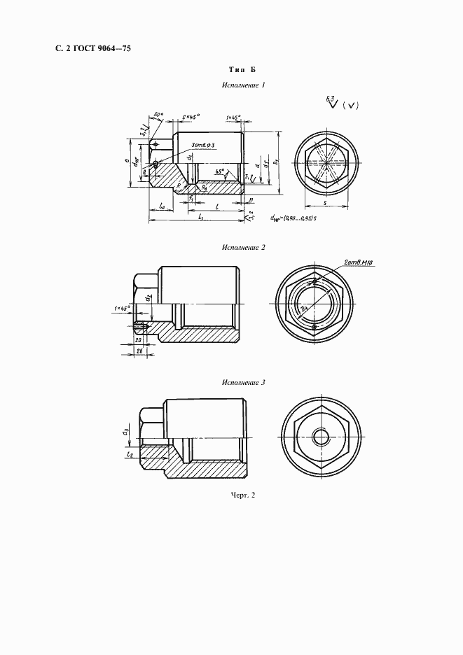
Настоящий стандарт распространяется на гайки шестигранные и колпачковые для фланцевых соединений паровых и газовых турбин, паровых котлов, трубопроводов и соединительных частей, арматуры, приборов, аппаратов и резервуаров с температурой среды от 0 до 650 град. С. Стандарт не распространяется на фланцевые соединения объектов, подведомственных Госгортехнадзору СССР, с условным давлением Ру менее 4 МПа
Связи и замены
Заменяющий:
-
Взамен:
ГОСТ 9064-69
Изменения и переиздания
Список изменений:
№1 от (рег. ) «Срок действия продлен» №2 от (рег. ) «Срок действия продлен»
Описание стандарта
ГОСТ 9064-75 Гайки для фланцевых соединений с температурой среды от 0 до 650 °С. Типы и основные размеры
Страницы стандарта






