ГОСТ 34287-2017 Арматура трубопроводная. Приводы вращательного действия. Присоединительные размеры
ГОСТ
Скачать ГОСТ в PDF или DOC бесплатно
Основная информация
Обозначение:
ГОСТ 34287-2017
Статус:
Действует
Тип:
ГОСТ
Название русское:
Арматура трубопроводная. Приводы вращательного действия. Присоединительные размеры
Название английское:
Pipeline valves. Drives of rotary action. Connecting dimensions
Даты и сроки
Дата регистрации:
09-25-17
Дата издания:
11-26-18
Дата введения в действие:
03-01-19
Дата завершения срока действия:
-
Применение и описание
Область и условия применения:
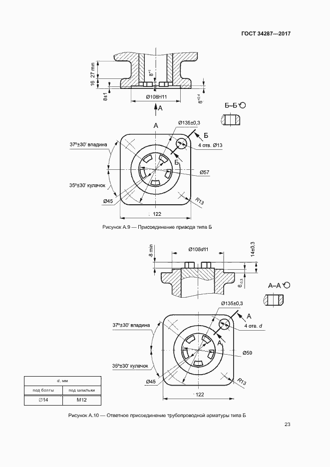
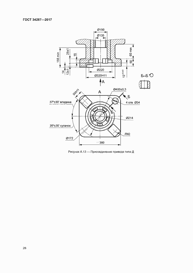
Настоящий стандарт распространяется на приводы и исполнительные механизмы вращательного действия (многооборотные и неполноповоротные, электрические, пневматические, гидравлические, комбинированные, а также редукторы) для управления трубопроводной арматурой. Настоящий стандарт устанавливает типы присоединений приводов к арматуре, присоединительные размеры приводов и размеры ответных присоединений управляемой ими арматуры, номинальные моменты или осевые усилия на детали соединений, размеры которых установлены в стандарте
Связи и замены
Заменяющий:
-
Описание стандарта
ГОСТ 34287-2017 Арматура трубопроводная. Приводы вращательного действия. Присоединительные размеры
Страницы стандарта






























