ГОСТ Р ИСО 20140-1-2014 Системы промышленной автоматизации и интеграция. Оценка энергетической эффективности и прочих факторов производственных систем, воздействующих на окружающую среду. Часть 1. Обзор и общие принципы
ГОСТ Р ИСО
Скачать ГОСТ в PDF или DOC бесплатно
Основная информация
Обозначение:
ГОСТ Р ИСО 20140-1-2014
Статус:
Заменен
Тип:
ГОСТ Р ИСО
Название русское:
Системы промышленной автоматизации и интеграция. Оценка энергетической эффективности и прочих факторов производственных систем, воздействующих на окружающую среду. Часть 1. Обзор и общие принципы
Название английское:
Automation systems and integration. Evaluating energy efficiency and other factors of manufacturing systems that influence the environment. Part 1. Overview and general principles
Даты и сроки
Дата издания:
05-18-20
Дата введения в действие:
01-01-16
Дата завершения срока действия:
01-01-21
Применение и описание
Область и условия применения:
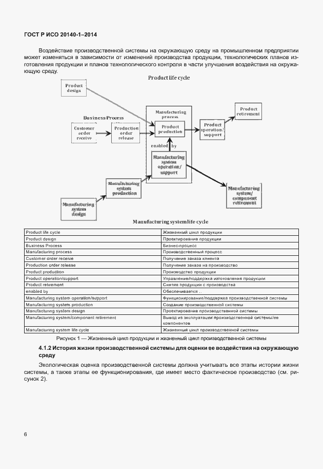
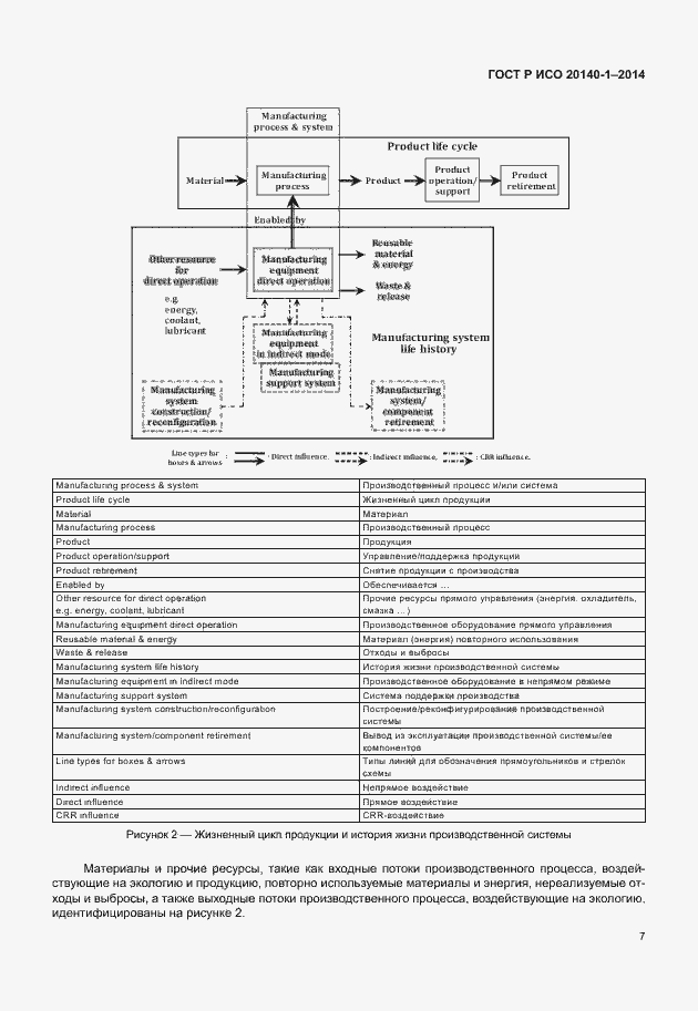
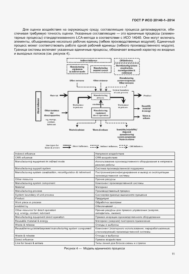
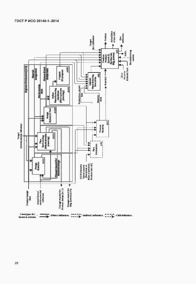
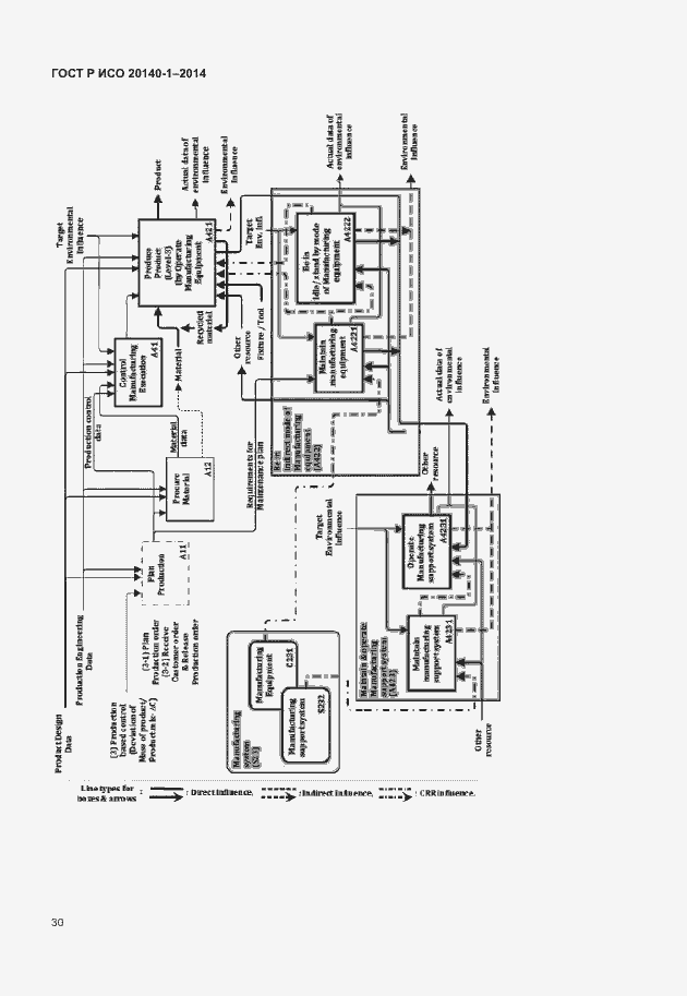
Настоящий стандарт содержит обзор и общие принципы метода оценки воздействия производственных систем на окружающую среду. ИСО 20140 устанавливает для отраслей промышленности с дискретным производством основные положения и методологию оценки воздействия на окружающую среду в части энергетической эффективности и прочих факторов производства. Это повышает эффективность использования целевых методов в характерных ситуациях
Связи и замены
Заменяющий:
ГОСТ Р ИСО 20140-1-2020
Описание стандарта
ГОСТ Р ИСО 20140-1-2014 Системы промышленной автоматизации и интеграция. Оценка энергетической эффективности и прочих факторов производственных систем, воздействующих на окружающую среду. Часть 1. Обзор и общие принципы
Страницы стандарта

























































