ГОСТ Р 53891-2010 Руководство по разработке спецификаций на характеристики и классы продукции. Часть 3. Опыт применения
ГОСТ Р
Скачать ГОСТ в PDF или DOC бесплатно
Основная информация
Обозначение:
ГОСТ Р 53891-2010
Статус:
Действует
Тип:
ГОСТ Р
Название русское:
Руководство по разработке спецификаций на характеристики и классы продукции. Часть 3. Опыт применения
Название английское:
Guide for specification of product properties and classes. Part 3. Experience gained
Даты и сроки
Дата издания:
02-06-19
Дата введения в действие:
01-01-11
Дата завершения срока действия:
-
Применение и описание
Область и условия применения:
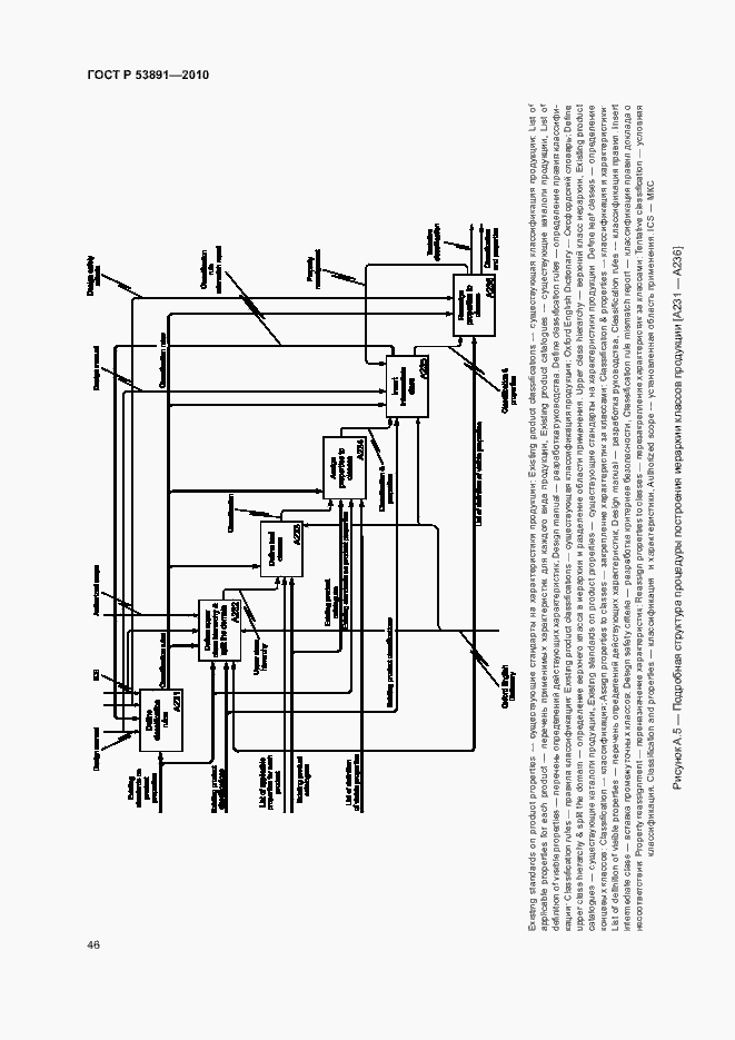
Настоящий стандарт устанавливает руководство по разработке спецификаций на характеристики и классы продукции. В настоящем стандарте представлены общие рекомендации и методологические принципы описания продукции и ее характеристик путем использования стандартов ИСО 13584 и МЭК 61360, предназначенных для применения при составлении компьютерных библиотек, каталогов и словарей баз данных о продукции. Подобные описания должны содержать однозначные и подробные сведения о продукции и ее характеристиках, позволяющие обмениваться ими в электронной форме, не зависящей от специализированного прикладного программного обеспечения. Термин «продукция» здесь применен для обозначения приборов, процессов, систем, оборудования и т.д
Связи и замены
Заменяющий:
-
Описание стандарта
ГОСТ Р 53891-2010 Руководство по разработке спецификаций на характеристики и классы продукции. Часть 3. Опыт применения
Страницы стандарта




















































