ГОСТ 12459-67 Болты усиленные к пазам станочным обработанным. Конструкция
ГОСТ
Скачать ГОСТ в PDF или DOC бесплатно
Основная информация
Обозначение:
ГОСТ 12459-67
Статус:
Действует
Тип:
ГОСТ
Название русское:
Болты усиленные к пазам станочным обработанным. Конструкция
Название английское:
Strenghthening bolts for machined slots. Design
Даты и сроки
Дата издания:
10-01-99
Дата введения в действие:
06-30-67
Дата завершения срока действия:
-
Применение и описание
Область и условия применения:
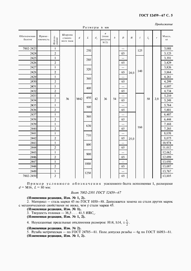
Настоящий стандарт распространяется на конструкцию и размеры усиленных болтов к станочным обработанным пазам
Связи и замены
Заменяющий:
-
Взамен:
МН 5412-64
Изменения и переиздания
Список изменений:
№1 от (рег. ) «Срок действия продлен» №2 от (рег. ) «Поправка»
Описание стандарта
ГОСТ 12459-67 Болты усиленные к пазам станочным обработанным. Конструкция
Страницы стандарта






