ГОСТ 12595-85 Станки металлорежущие. Концы шпинделей фланцевые типа А. Основные и присоединительные размеры
ГОСТ
Скачать ГОСТ в PDF или DOC бесплатно
Основная информация
Обозначение:
ГОСТ 12595-85
Статус:
Заменен
Тип:
ГОСТ
Название русское:
Станки металлорежущие. Концы шпинделей фланцевые типа А. Основные и присоединительные размеры
Название английское:
Metal-cutting machine-tools. Flanged spindle noses of A type. Basis and coupling dimensions
Даты и сроки
Дата издания:
12-01-98
Дата введения в действие:
06-30-87
Дата завершения срока действия:
07-01-05
Применение и описание
Область и условия применения:
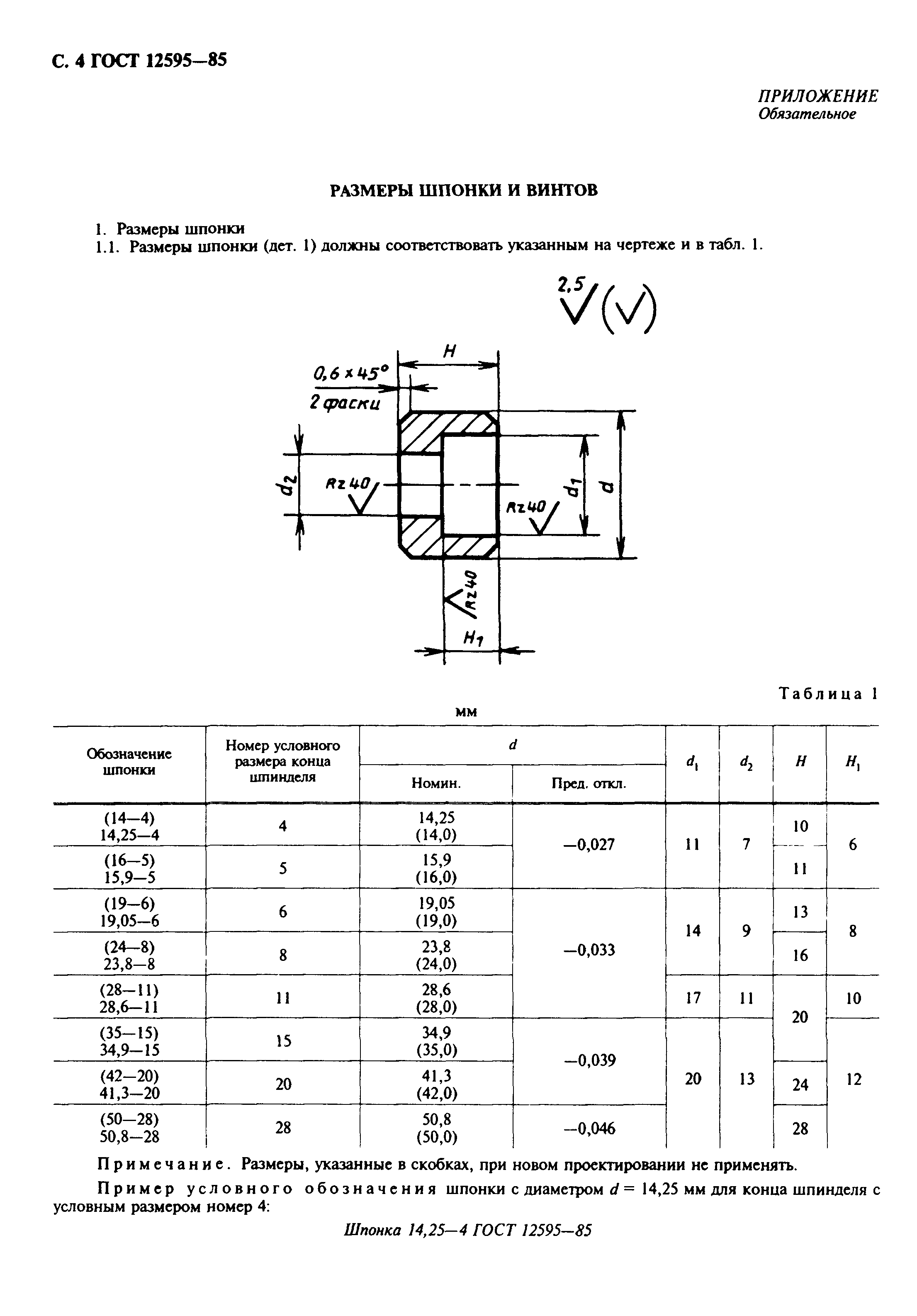
Настоящий стандарт распространяется на фланцевые концы шпинделей с коротким конусом типа А для токарных и шлифовальных станков
Связи и замены
Заменяющий:
ГОСТ 12595-2003
Взамен:
ГОСТ 12595-72
Изменения и переиздания
Список изменений:
№1 от (рег. ) «Срок действия продлен»
Описание стандарта
ГОСТ 12595-85 Станки металлорежущие. Концы шпинделей фланцевые типа А. Основные и присоединительные размеры
Страницы стандарта






