ГОСТы >
25.060.20 Делительные головки и зажимные приспособления для обрабатываемых деталей и инструментов >
ГОСТ 13788-68
ГОСТ 13788-68 Оправки с коническим хвостовиком без лапки и торцовыми шпонками для насадных торцовых фрез. Конструкция и размеры
ГОСТ
Скачать ГОСТ в PDF или DOC бесплатно
Основная информация
Обозначение:
ГОСТ 13788-68
Статус:
Действует
Тип:
ГОСТ
Название русское:
Оправки с коническим хвостовиком без лапки и торцовыми шпонками для насадных торцовых фрез. Конструкция и размеры
Название английское:
Arbors with tapered shank and fase keys without lug for shell face cutters. Design and dimensions
Даты и сроки
Дата издания:
05-01-86
Дата введения в действие:
01-01-69
Дата завершения срока действия:
-
Применение и описание
Область и условия применения:
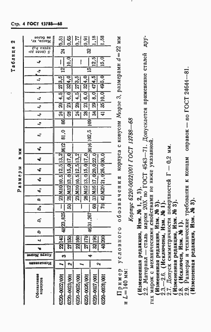
Настоящий стандарт устанавливает конструкцию и размеры оправок с хвостовиком без лапки и торцовыми шпонками для насадных торцовых фрез
Связи и замены
Заменяющий:
-
Взамен:
МН 23-64
Изменения и переиздания
Список изменений:
№1 от (рег. ) «Срок действия продлен» №2 от (рег. ) «Срок действия продлен» №3 от (рег. ) «Срок действия продлен»
Описание стандарта
ГОСТ 13788-68 Оправки с коническим хвостовиком без лапки и торцовыми шпонками для насадных торцовых фрез. Конструкция и размеры
Страницы стандарта






