ГОСТы >
25.060.20 Делительные головки и зажимные приспособления для обрабатываемых деталей и инструментов >
ГОСТ 21188-75
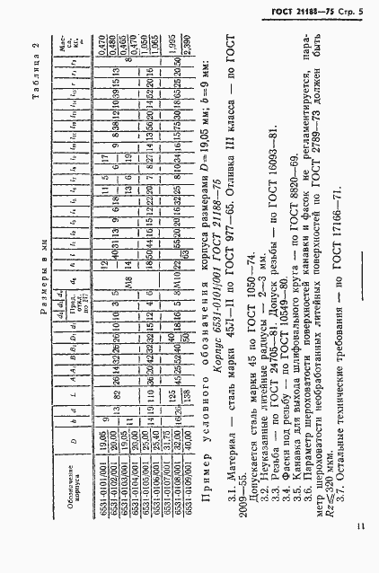
ГОСТ 21188-75 Державки люнетные для прямого крепления резцов к токарно-револьверным автоматам. Конструкция и размеры
ГОСТ
Скачать ГОСТ в PDF или DOC бесплатно
Основная информация
Обозначение:
ГОСТ 21188-75
Статус:
Действует
Тип:
ГОСТ
Название русское:
Державки люнетные для прямого крепления резцов к токарно-револьверным автоматам. Конструкция и размеры
Название английское:
Support holders for direct clamping of lathe cutters. Design and dimensions
Даты и сроки
Дата издания:
04-01-82
Дата введения в действие:
01-01-77
Дата завершения срока действия:
-
Применение и описание
Область и условия применения:
Настоящий стандарт распространяется на люнетные державки для прямого крепления резцов с люнетами к токарно-револьверным автоматам
Связи и замены
Заменяющий:
-
Взамен:
МН 1220-60
Изменения и переиздания
Список изменений:
№1 от (рег. ) «Срок действия продлен»
Описание стандарта
ГОСТ 21188-75 Державки люнетные для прямого крепления резцов к токарно-револьверным автоматам. Конструкция и размеры
Страницы стандарта




