ГОСТы >
25.060.20 Делительные головки и зажимные приспособления для обрабатываемых деталей и инструментов >
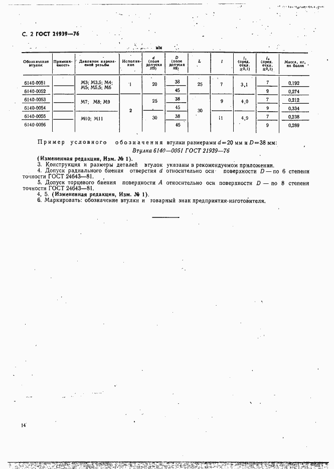
ГОСТ 21939-76
ГОСТ 21939-76 Втулки для плашек к патронам для нарезания резьбы на токарных станках. Конструкция и размеры
ГОСТ
Скачать ГОСТ в PDF или DOC бесплатно
Основная информация
Обозначение:
ГОСТ 21939-76
Статус:
Действует
Тип:
ГОСТ
Название русское:
Втулки для плашек к патронам для нарезания резьбы на токарных станках. Конструкция и размеры
Название английское:
Die sleeves of chucks for thread cutting on lathes. Design and dimensions
Даты и сроки
Дата издания:
02-01-87
Дата введения в действие:
01-01-78
Дата завершения срока действия:
-
Применение и описание
Область и условия применения:
Настоящий стандарт распространяется на втулки для плашек к патронам для нарезания резьбы на токарных станках
Связи и замены
Заменяющий:
-
Взамен:
МН 2511-61
Взамен в части:
МН 2508-61 в части колец с D <= 30 мм
Изменения и переиздания
Список изменений:
№1 от (рег. ) «Срок действия продлен»
Описание стандарта
ГОСТ 21939-76 Втулки для плашек к патронам для нарезания резьбы на токарных станках. Конструкция и размеры
Страницы стандарта




