ГОСТы >
25.060.20 Делительные головки и зажимные приспособления для обрабатываемых деталей и инструментов >
ГОСТ 30086-93
ГОСТ 30086-93 Втулки кондукторные и элементы их крепления. Размеры
ГОСТ
Скачать ГОСТ в PDF или DOC бесплатно
Основная информация
Обозначение:
ГОСТ 30086-93
Статус:
Действует
Тип:
ГОСТ
Название русское:
Втулки кондукторные и элементы их крепления. Размеры
Название английское:
Jig bushes and accessories for drilling purposes. Dimensions
Даты и сроки
Дата регистрации:
04-15-94
Дата издания:
07-13-95
Дата введения в действие:
06-30-96
Дата завершения срока действия:
-
Применение и описание
Область и условия применения:
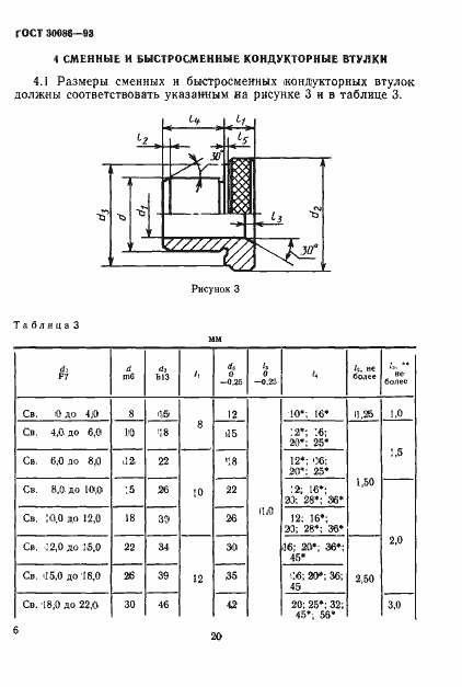
Настоящий стандарт устанавливает размеры кондукторных втулок, предназначенных для направления спиральных сверл, и промежуточных втулок, применяемых в кондукторах, а также элементов крепления сменных и быстросменных кондукторных втулок. Стандарт распространяется: на постоянные кондукторные втулки с буртиком или без буртика; на промежуточные втулки с буртиком или без буртика; на сменные и быстросменные кондукторные втулки; на стопорные устройства сменных и быстросменных кондукторных втулок; на элементы стопорных устройств (винты, фланцы). Стандарт не распространяется на кондукторные и промежуточные втулки к приспособлениям металлорежущих станков, разработанным до 01.01.86
Связи и замены
Заменяющий:
-
Взамен:
ГОСТ 26232-84;ГОСТ 26233-84;ГОСТ 26234-84;ГОСТ 26235-84;ГОСТ 26236-84;ГОСТ 26237-84
Описание стандарта
ГОСТ 30086-93 Втулки кондукторные и элементы их крепления. Размеры
Страницы стандарта
















