ГОСТы >
25.060.20 Делительные головки и зажимные приспособления для обрабатываемых деталей и инструментов >
ГОСТ 32832.1-2014
ГОСТ 32832.1-2014 Оправки с продольной шпонкой и поводковым срезом для насадных фрез. Часть 1. Основные размеры
ГОСТ
Скачать ГОСТ в PDF или DOC бесплатно
Основная информация
Обозначение:
ГОСТ 32832.1-2014
Статус:
Действует
Тип:
ГОСТ
Название русское:
Оправки с продольной шпонкой и поводковым срезом для насадных фрез. Часть 1. Основные размеры
Название английское:
Arbors with longitudinal key and tenon drive for shell cutters. Part 1. Basic dimensions
Даты и сроки
Дата регистрации:
06-25-14
Дата издания:
08-21-20
Дата введения в действие:
01-01-16
Дата завершения срока действия:
-
Применение и описание
Область и условия применения:
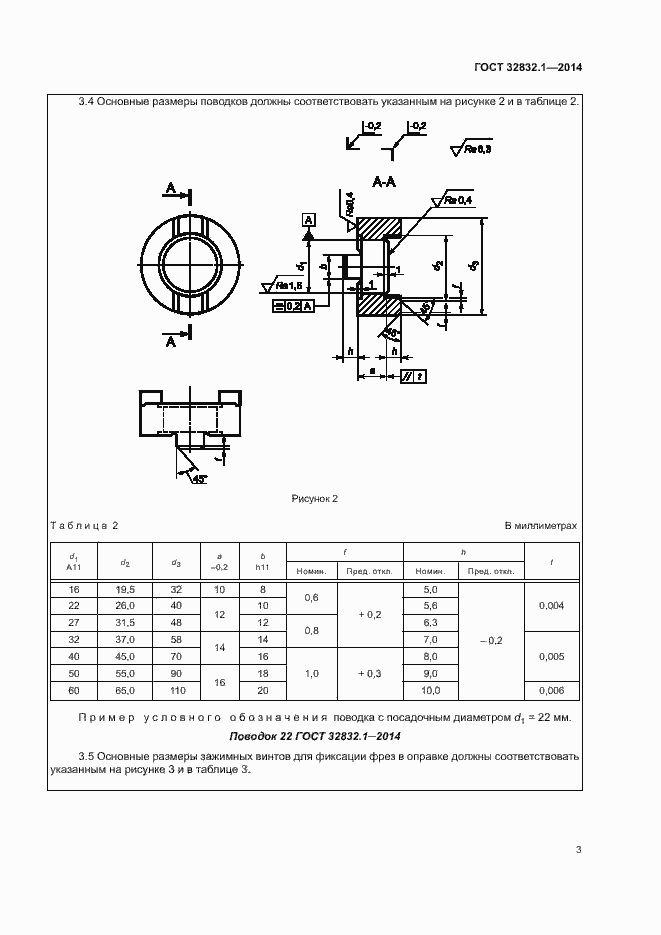
Настоящий стандарт распространяется на основные размеры оправок с продольной шпонкой и поводковым срезом для насадных фрез
Связи и замены
Заменяющий:
-
Описание стандарта
ГОСТ 32832.1-2014 Оправки с продольной шпонкой и поводковым срезом для насадных фрез. Часть 1. Основные размеры
Страницы стандарта











